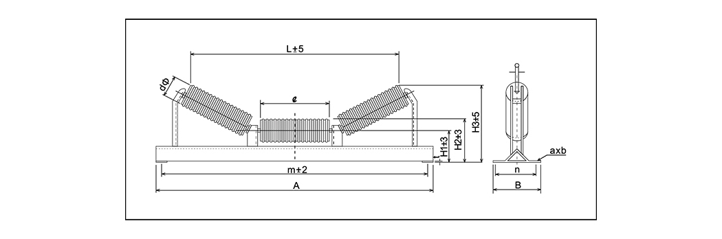
Single Row Sprocket Drive Roller
Cat:Sprocket Drive Roller
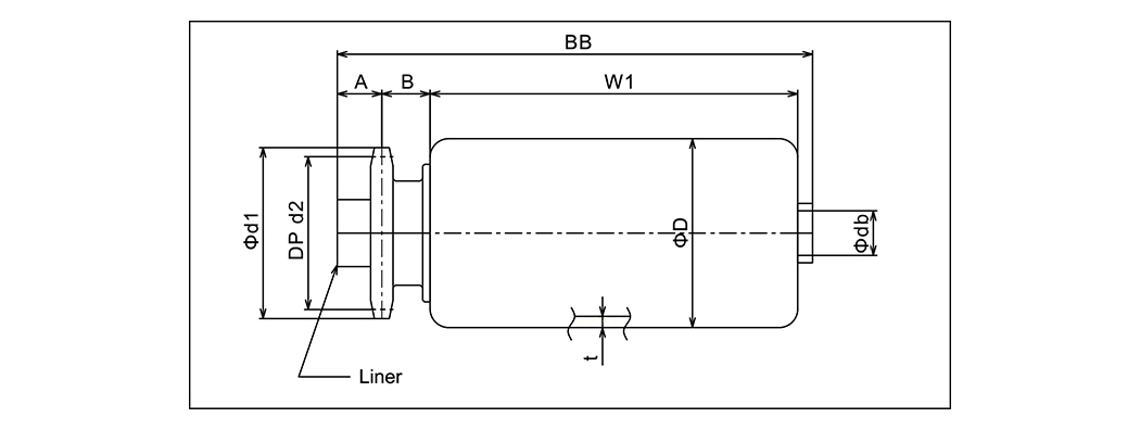
I -type Laki ng roller Lapad ng roller Roller Mat...
Ang isang hinihimok na roller ay isang uri ng idler roller na ginagamit sa mga pinalakas na roller conveyor, karaniwang nilagyan ng mga gulong ng drive tulad ng mga sprockets, multi-wedge pulley, tiyempo pulley, V-belt pulleys, o O-grooved roller. Ang mga hinihimok na roller na may mga sprocket ay nag -aalok ng mataas na kapasidad ng pag -load, na may mga sprockets na karaniwang gawa sa bakal at magagamit sa iba't ibang mga pagtutukoy batay sa mga kinakailangan sa pag -load. Ang mga hinihimok na roller na may mga pulley na multi-wedge, mga pulley ng tiyempo, at mga pulley ng V-belt ay dinisenyo para sa mga sistema na hinihimok ng sinturon at may mas magaan na mga kapasidad ng pag-load. Ginagamit din ang mga O-grooved roller para sa mga light-duty roller conveyor, na may mga kapasidad ng pag-load na mas mababa kaysa sa mga roller na hinihimok ng sinturon.

I -type Laki ng roller Lapad ng roller Roller Mat...
| I -type | Laki ng roller | Lapad ng roller | Roller Material | Nagdadala | Diameter ng Shaft | Laki ng liner | Sprocket | d | D2 | A | B | W1 | BB |
| KR-384010S | 38.1 × 2.3 | 100 ~ 800 | Stkm | 6001zz · 6201Z | 12.0 | 18 × 12.2 × 26 | #40 × 10ts | 46 | 41.1 | 12 | 14 | W-1 | W 28 |
| KR-424010S | 42.7 × 2.3 | 100 ~ 800 | Stkm | 6001zz · 6201Z | 12.0 | 18x12.2 × 26 | #40 × 10ts | 46 | 41.1 | 12 | 14 | W | W 28 |
| KR-484010S | 48.6 × 3.5 | 100 ~ 800 | SGP40A | 6001zz · 6201Z | 12.0 | 18 × 12.2 × 26 | #40 × 10ts | 46 | 41.1 | 12 | 11 | W 5 | W 28 |
| KR-504010S | 50.8 × 1.6 | 100 ~ 800 | Stkm | 6001zz · 6201Z | 12.0 | 18 × 12.2 × 26 | #40 × 10ts | 46 | 41.1 | 12 | 13 | W-1 | W 28 |
| KR-574010S | 57.1 × 2.1 | 100 ~ 1000 | Stkm | 6001zz · 6201Z | 12.0 | 18 × 12.2 × 26 | #40 × 10ts | 46 | 41.1 | 12 | 13 | W | W 28 |
| KR-604010S | 60.5 × 2.3 | 100 ~ 1000 | Stkm | 6001zz · 6201Z | 12.0 | 18 × 12.2 × 26 | #40 × 10ts | 46 | 41.1 | 12 | 13 | W | W 28 |
| KR-605011S | 60.5 × 3. | 100 ~ 1000 | SGP50A | 6002zz | 15.0 | 21 × 15.2 × 41.5 · 21 × 15.2 × 12 | #50 × 11ts | 63 | 56.35 | 20 | 18 | W 3 | W 48 |
| KR-765011S | 76.3 × 4.2 | 100 ~ 1000 | SGP65A | 6002zz | 15.0 | 21 × 15.2 × 41.5 · 21 × 152 × 12 | #50 × 11ts | 63 | 56.35 | 20 | 18 | W 2 | W 48 |
| KR-605013S | 60.5 × 3.8 | 100 ~ 1000 | SGP50A | 6004zz | 20.0 | 29 × 20.2 × 38.5 · 29 × 20.2 × 15 | #50 × 13ts | 73 | 66.34 | 20 | 18 | W 1 | W 48 |
| KR-765013S | 76.3 × 4.2 | 100 ~ 1000 | SGP65A | 6004zz | 20.0 | 29x20.2x38.5 · 29 × 20.2 × 15 | #50 × 13ts | 73 | 66.34 | 20 | 18 | W 2 | W 48 |
| KR-895013S | 89.1 × 4.2 | 100 ~ 1000 | SGP80A | 6004zz | 20.0 | 29 × 20.2x38.5 · 29 × 202x15 | #50 × 13ts | 73 | 66.34 | 20 | 18 | W | W 48 |
| KR-1146014S | 114.3 × 4.5 | 300 ~ 2000 | SGP100A | 6205zz | 25.0 | 35 × 26 × 19 · 35 × 26 × 21 | #60 × 14ts | 93 | 85.61 | 20 | 23 | W | W 58 |
| KR-1406016S | 139.8 × 4.5 | 300 ~ 2000 | SGP125A | 6206zz | 30.0 | 38 × 31.1 × 19 · 38 × 31.1 × 21 | #60 × 16ts | 107 | 97.65 | 20 | 23 | W | W 58 |

I -type Laki ng roller Lapad ng roller Roller Mat...
| I -type | Laki ng roller | Lapad ng roller | Roller Material | Nagdadala | Diameter ng Shaft | Laki ng liner | Sprocket | D1 | D2 | A | B | C | W1 | BB |
| KR-384010SW | 38.1 × 2.3 | 100 ~ 800 | Stkm | 6001zz · 6201Z | 12.0 | 18 × 12.2 × 53 | #40 × 10TSW | 46 | 41.1 | 12 | 23 | 18 | W-1 | W 58 |
| KR-424010SW | 42.7 × 2.3 | 100 ~ 800 | Stkm | 6001zz · 6201Z | 12.0 | 18 × 12.2 × 53 | #40 × 10TSW | 46 | 41.1 | 12 | 23 | 18 | W | W 58 |
| KR-484010SW | 48.6 × 3.5 | 100 ~ 800 | SGP40A | 6001zz · 6201Z | 12.0 | 18 × 12.2 × 53 | #40 × 10TSW | 46 | 41.1 | 12 | 23 | 15 | W 5 | W 58 |
| KR-504010SW | 50.8 × 1.6 | 100 ~ 800 | Stkm | 6001zz · 6201Z | 12.0 | 18 × 12.2 × 53 | #40x10tsw | 46 | 41.1 | 12 | 23 | 18 | W-1 | W 58 |
| KR-574010SW | 57.1 × 2.1 | 100 ~ 1000 | Stkm | 6001zz · 6201Z | 12.0 | 18 × 12.2 × 53 | #40 × 10TSW | 46 | 41.1 | 12 | 23 | 18 | W | W 58 |
| KR-604010SW | 60.5 × 2.3 | 100 ~ 1000 | Stkm | 6001zz · 6201Z | 12.0 | 18 × 12.2 × 53 | #40 × 10TSW | 46 | 41.1 | 12 | 23 | 18 | W | W 58 |
| KR-605011SW | 60.5 × 3.8 | 100 ~ 1000 | SGP50A | 6002zz | 15.0 | 21x15.2 × 66.5 · 21 × 15.2x12 | #50 × 11TSW | 63 | 56.35 | 20 | 25 | 18 | W 3 | W 7 |
| KR-765011SW | 76.3 × 4.2 | 100 ~ 1000 | SGP65A | 6002zz | 15.0 | 21 × 15.2 × 66.5 · 21 × 15.2 × 12 | #50 × 11TSW | 63 | 56.35 | 20 | 25 | 18 | W 2 | W 73 |
| KR-605013SW | 60.5 × 3.8 | 100 ~ 1000 | SGP50A | 6004zz | 20.0 | 29 × 20.2 × 63.5 · 29 × 20.2 × 15 | #50 × 13TSW | 73 | 66.34 | 20 | 25 | 18 | W 1 | W 73 |
| KR-765013SW | 76.3 × 4.2 | 100 ~ 1000 | SGP65A | 600422 | 20.0 | 29 × 20.2 × 63.5 · 29 × 20.2x15 | #50 × 13TSW | 73 | 66.34 | 20 | 25 | 18 | W 2 | W 73 |
| KR-895013SW | 89.1 × 4.2 | 100 ~ 1000 | SGP80A | 6004zz | 20.0 | 29 × 20.2 × 63.5 · 29 × 20.2 × 15 | #50 × 13TSW | 73 | 66.34 | 20 | 25 | 18 | W | W 73 |

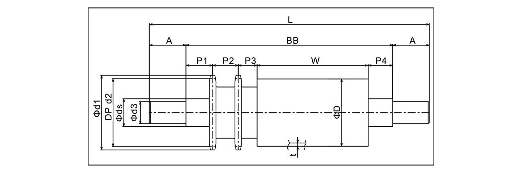
I -type Laki ng roller Rollerwidth Roller Matenal...
| I -type | Laki ng roller | Rollerwidth | Roller Matenal | Bearng | Diameter ng Shaft | Sprocket | D1 | D2 | D3 | A | L | BB | P1 | P2 | P3 | P4 |
| KPR-574015SW | 57.2 × 2.6 | 300 ~ 2000 | Stkm | UCPA204 | 25XW 152 | #40 × 15TSW | 67 | 61.08 | 20 | 33 | W 152 | W 86 | 24 | 23 | 17 | 22 |
| KPR-604015SW | 60.5 × 3.8 | 300 ~ 2000 | Stkm | UCPA204 | 25XW 152 | #40 × 15TSW | 67 | 61.08 | 20 | 33 | W 152 | W 86 | 24 | 23 | 17 | 22 |
| KPR-765013SW | 76.3 × 4.2 | 300 ~ 2000 | SGP65A | UCPA204 | 25xw 163 | #50 × 13TSW | 73 | 66.34 | 20 | 33 | W 163 | W 97 | 32 | 25 | 18 | 22 |
| KPR-895013SW | 89.1 × 4.2 | 300 ~ 2000 | SGP80A | UCPA206 | 35XW 169 | #50 × 13TSW | 73 | 66.34 | 30 | 39 | W 169 | W 91 | 29 | 25 | 18 | 19 |
| KPR-1015018SW | 101.6 × 4.5 | 300 ~ 2000 | SGP90A | UCPA206 | 35XW 169 | #50 × 18TSW | 98 | 91.42 | 30 | 39 | W 169 | W 91 | 29 | 25 | 18 | 19 |
| KPR-1145018SW | 114.3 × 4.5 | 300 ~ 2000 | SGP100A | UCPA206 | 35XW 169 | #50 × 18TSW | 98 | 91.42 | 30 | 39 | W 169 | W 91 | 29 | 25 | 18 | 19 |
| KPR-1405018SW | 139.8 × 4.5 | 300 ~ 2000 | SGP125A | UCPA206 | 35XW 169 | #50 × 18TSW | 98 | 91.42 | 30 | 39 | W 169 | W 91 | 29 | 25 | 18 | 19 |

I -type Laki ng roller Lapad ng roller Roller Mat...
| I -type | Laki ng roller | Lapad ng roller | Roller Material | Nagdadala | Diameter ng Shaft | Laki ng liner | Sprocket | |||||
| MAC-CN384010S | 38.1 × 2.3 | 100 ~ 800 | Stkm | 6001zz · 6201Z | 12.0 | 18 × 12.2 × 17 | #40 × 10ts | |||||
| MAC-CN424010S | 42.7 × 2.3 | 100 ~ 1000 | Stkm | 6001zz · 6201Z | 12.0 | 18x12.2 × 17 | #40 × 10ts | |||||
| MAC-CN484010S | 48.6 × 3.5 | 100 ~ 1000 | SGP40A | 60012Z · 6201Z | 12.0 | 18 × 12.2 × 17 | #40 × 10ts | |||||
| MAC-CN504010S | 50.8 × 1.6 | 100 ~ 1000 | Stkm | 6001zz · 6201Z | 12.0 | 18 × 12.2 × 17 | #40 × 10ts | |||||
| MAC-CN574010S | 57.1 × 2.1 | 100 ~ 1000 | Stkm | 6001zz · 6201Z | 12.0 | 18 × 12.2 × 17 | #40 × 10ts | |||||
| MAC-CN604010S | 60.5 × 2.3 | 100 ~ 1000 | Stkm | 6001zz · 6201Z | 12.0 | 18 × 12.2 × 17 | #40 × 10ts | |||||
| I -type | Laki ng roller | Lapad ng roller | Roller Material | Nagdadala | Diameter ng Shaft | Sprocket | ||||||
| MAC-CS384010S | 38.1 × 2.3 | 100 ~ 800 | Stkm | 6001zz · 6201Z | 12.0 | #40 × 10ts | ||||||
| MAC-CS424010S | 42.7 × 2.3 | 100 ~ 1000 | Stkm | 6001zz · 6201Z | 12.0 | #40 × 10ts | ||||||
| MAC-CS484010S | 48.6 × 3.5 | 100 ~ 1000 | SGP40A | 6001zz · 6201Z | 12.0 | #40 × 10ts | ||||||
| MAC-CS504010S | 50.8 × 1.6 | 100 ~ 1000 | Stkm | 6001zz · 6201Z | 12.0 | #40 × 10ts | ||||||
| MAC-CS574010S | 57.1 × 2.1 | 100 ~ 1000 | Stkm | 6001zz · 6201Z | 12.0 | #40 × 10ts | ||||||
| MAC-CS604010S | 60.5 × 2.3 | 100 ~ 1000 | Stkm | 6001zz · 6201Z | 12.0 | #40 × 10TS | ||||||

I -type Laki ng roller Lapad ng roller Roller Mat...
| I -type | Laki ng roller | Lapad ng roller | Roller Material | Nagdadala | Diameter ng Shaft | Laki ng liner | Sprocket |
| MAC-CN384010SW | 38.1 × 2.3 | 100 ~ 800 | Stkm | 6001Z · 6201Z | 12.0 | 18 × 12.2 × 17 | #40 × 10ts |
| MAC-CN424010SW | 42.7 × 2.3 | 100 ~ 1000 | Stkm | 6001zz · 6201Z | 12.0 | 18 × 12.2 × 17 | #40 × 10ts |
| MAC-CN484010SW | 48.6 × 3.5 | 100 ~ 1000 | SGP40A | 6001zz · 6201Z | 12.0 | 18 × 12.2 × 17 | #40 × 10ts |
| MAC-CN504010SW | 50.8 × 1.6 | 100 ~ 1000 | Stkm | 6001Z · 6201Z | 12.0 | 18 × 12.2 × 17 | #40 × 10ts |
| MAC-CN574010SW | 57.1 × 2.1 | 100 ~ 1000 | Stkm | 6001zz · 6201Z | 12.0 | 18 × 12.2 × 17 | #40 × 10ts |
| MAC-CN604010SW | 60.5 × 2.3 | 100 ~ 1000 | Stkm | 6001zz · 6201Z | 12.0 | 18 × 12.2 × 17 | #40 × 10TS |

I -type Laki ng roller Lapad ng roller Roller Mat...
| I -type | Laki ng roller | Lapad ng roller | Roller Material | Nagdadala | Diameter ng Shaft | Laki ng liner | Sprocket | D1 | D2 |
| MAC-CN605010SW | 60.5 × 2.3 | 100 ~ 1000 | Stkm | 6002Z7 · 61902Z | 15.0 | 20 × 15.2 × 16 | #50 × 10ts | 57.43 | 51.37 |
| MAC-CN765013SW | 76.3 × 2.0 | 100 ~ 1000 | Stkm | 6204zz · 61904Z | 20.0 | 25 × 20.2 × 22 | #50 × 13TS | 73 | 66.34 |

R Center 1000 Kabuuang haba Lapad ng roll...
| R Center | 1000 | Kabuuang haba | Lapad ng roller | Malawak na conveyor | Makitid na landas | Malaking diameter | Naglo -load ng roller | Bigat ng roller | |||
| Sprocket | #40 × 10TSW | (∅) | Kapal | (∅) | Kapal | ||||||
| W lapad ng roller | 200 ~ 600 | 258 | 200 | 260 | 51.5 | 3.0 | 62.5 | 2.6 | 1842 | 1236 | |
| Roller Material | Stkm | 358 | 300 | 360 | 48.8 | 3.0 | 65.2 | 2.6 | 1215 | 1643 | |
| Beaning | 6001zz · 6201Z | 458 | 400 | 460 | 46.0 | 3.1 | 68.0 | 2.6 | 911 | 2050 | |
| diameter ng db shaft | 12.0 | 558 | 500 | 560 | 43.3 | 3.2 | 70.7 | 2.4 | 725 | 2456 | |
| DC × DC × LC/Liner size | 18 × 12.2 × 53 · 18 × 12.2 × 7 | 658 | 600 | 660 | 41.3 | 3.3 | 74.0 | 2.3 | 597 | 2863 | |
| R Center | 1200 | Kabuuang haba | Lapad ng roller | Malawak na conveyor | Makitid na landas | Malaking diameter | Naglo -load ng roller | Bigat ng roller | |||
| Sprocket | #40 × 10TSW | (∅) | Kapal | (∅) | Kapal | ||||||
| W lapad ng roller | 200 ~ 600 | 258 | 200 | 260 | 52.1 | 2.9 | 61.9 | 2.5 | 1842 | 1.132 | |
| Roller Material | Stkm | 358 | 300 | 360 | 49.7 | 3.0 | 64.3 | 2.4 | 1215 | 1487 | |
| Beaning | 6001zz · 6201Z | 458 | 400 | 460 | 47.3 | 3.1 | 65.7 | 2.4 | 911 | 1842 | |
| diameter ng db shaft | 12.0 | 558 | 500 | 560 | 45.0 | 3.2 | 69.2 | 2.8 | 725 | 2197 | |
| DC × DC × LC/Liner size | 18 × 12.2 × 53 · 18 × 12.2 × 7 | 658 | 600 | 660 | 45.0 | 3.2 | 74.0 | 2 | 597 | 2552 | |
| R Center | 1500 | Kabuuang haba | Lapad ng roller | Malawak na conveyor | Makitid na landas | Malaking diameter | Naglo -load ng roller | Bigat ng roller | |||
| Sprocket | #40 × 10TSW | (∅) | Kapal | (∅) | Kapal | ||||||
| W lapad ng roller | 200 ~ 600 | 258 | 200 | 260 | 52.6 | 2.7 | 61.4 | 2.8 | 1842 | 1233 | |
| Roller Material | Stkm | 358 | 300 | 360 | 50.4 | 2.9 | 63.6 | 2.7 | 1215 | 1645 | |
| Beaning | 6001zz · 6201Z | 458 | 400 | 460 | 48.0 | 3.1 | 65.4 | 2.4 | 911 | 2046 | |
| diameter ng db shaft | 12.0 | 558 | 500 | 560 | 48.0 | 3.4 | 69.8 | 2.4 | 725 | 2452 | |
| DC × DC × LC/Liner size | 18 × 12.2 × 53 · 18 × 12.2 × 7 | 658 | 600 | 660 | 48.0 | 3.1 | 74.0 | 2.1 | 597 | 2.86 | |
| R Center | 2000 | Kabuuang haba | Lapad ng roller | Wde ng conveyor | Makitid na landas | Malaking diameter | Naglo -load ng roller | Bigat ng roller | |||
| Sprocket | #40 × 10TSW | (∅) | Kapal | (∅) | Kapal | ||||||
| W lapad ng roller | 400 ~ 800 | 458 | 400 | 460 | 50.0 | 3.0 | 62.5 | 2.3 | 911 | 1990 | |
| Roller Material | Stkm | 558 | 500 | 560 | 50.0 | 3.0 | 65.6 | 2.2 | 725 | 2398 | |
| Beaning | 6001zz · 6201Z | 658 | 600 | 660 | 50.0 | 3.0 | 68.8 | 2.2 | 597 | 2797 | |
| diameter ng db shaft | 12.0 | 758 | 700 | 760 | 50.0 | 3.0 | 71.9 | 2.1 | 519 | 3210 | |
| DC × DC × LC/Liner size | 18 × 12.2 × 53 · 18 × 12.2 × 7 | 858 | 800 | 860 | 50.0 | 3.0 | 75.0 | 2.0 | 450 | 3620 | |

R Center 500 Kabuuang haba Lapad ng rolle...
| R Center | 500 | Kabuuang haba | Lapad ng roller | Malawak na conveyor | Makitid na landas | Malaking diameter | |
| Sprocket | #40 × 10TSW | (∅) | (∅) | ||||
| W lapad ng roller | 300 ~ 700 | 328 | 300 | 330 | 42.7 | 60 | |
| Roller Material | Stkm | 428 | 400 | 430 | 42.7 | 65 | |
| Beaning | 6001zz · 6201Z | 528 | 500 | 530 | 42.7 | 75 | |
| diameter ng db shaft | 12.0 | 628 | 600 | 630 | 42.7 | 80 | |
| DC × DC × LC/Liner size | 18 × 12.2 × 27 · 18 × 12.2 × 7 | 728 | 700 | 730 | 42.7 | 89 |
| R Center | 900 | Kabuuang haba | Lapad ng roller | Malawak na conveyor | Makitid na landas | Malaking diameter | |
| Sprocket | #40 × 10TSW | (∅) | (∅) | ||||
| W lapad ng roller | 300 ~ 700 | 328 | 300 | 330 | 42.7 | 56 | |
| Roller Material | Stkm | 428 | 400 | 430 | 42.7 | 60 | |
| Beaning | 6001zz · 6201Z | 528 | 500 | 530 | 42.7 | 65 | |
| diameter ng db shaft | 12.0 | 628 | 600 | 630 | 42.7 | 70 | |
| DC × DC × LC/Liner size | 18 × 12.2 × 27 · 18 × 12.2 × 7 | 728 | 700 | 730 | 42.7 | 75 |
| R Center | 900 | Kabuuang haba | Lapad ng roller | malawak na conveyor | Makitid na landas | Malaking diameter | |
| Sprocket | #40 × 10TSW | (∅) | (∅) | ||||
| W lapad ng roller | 800 ~ 1000 | 828 | 800 | 830 | 42.7 | 65 | |
| Roller Material | Stkm | 928 | 900 | 930 | 42.7 | 70 | |
| Beaning | 6001zz · 6201Z | 1028 | 1000 | 1030 | 42.7 | 75 | |
| diameter ng db shaft | 12.0 | ||||||
| DC × DC × LC/Liner size | 18 × 12.2 × 27 · 18 × 12.2 × 7 |

I -type Laki ng roller Lapad ng roller Roller Mat...
| I -type | Laki ng roller | Lapad ng roller | Roller Material | Nagdadala | Diameter ng Shaft | Polyvee Pulley |
| DQR-3812 | 38.1 × 12 | 100 ~ 1000 | Stkm | 6001zz | 12.0 | Q235 |
| DQRS-3815 | 38.1 × 1.5 | 100 ~ 1000 | Sus304/201. | 6001zz | 12.0 | Q235/Sus |
| DQR-5015 | 50.8 × 1.5 | 100 ~ 1000 | Stkm | 6002zz | 12.0 | Dagta |
| DQRS-5015 | 50 × 1.5 | 100 ~ 1000 | Sus304/201. | 6002zz | 12.0 | Dagta |
| DQR-5721 | 57.2 × 2.1 | 100 ~ 1000 | Stkm | 6001zz | 12.0 | Q235 |
| DQR-6023 | 60.5 × 2.3 | 100 ~ 1000 | Stkm | 6002zz | 12.0 | Q235 |
| DQRS-6020 | 60 × 2.0 | 100 ~ 1000 | Sus304/201. | 6002zz | 12.0 | Q235/Sus/dagta |
| DQR-7620 | 76.3 × 2.0 | 100 ~ 1000 | Stkm | 6001zz | 12.0 | Q235 |
| DQRS-7620 | 76 × 2.0 | 100 ~ 1000 | Sus304/201. | 6001zz | 12.0 | Q235/Sus |

I -type Laki ng roller Lapad ng roller Roller Mat...
| I -type | Laki ng roller | Lapad ng roller | Roller Material | Nagdadala | Diameter ng Shaft | Vnbbed pully |
| VR-3812 | 38.1 × 1.2 | 100 ~ 1000 | Stkm | 6001zz | 12.0 | Q235 |
| VRS-3815 | 38 × 1.5 | 100 ~ 1000 | Sus304/201. | 6001zz | 12.0 | Q235/Sus |
| VR-5015 | 50.8 × 1.5 | 100 ~ 1000 | Stkm | 6001zz | 12.0 | Q235 |
| VRS-5015 | 50 × 1.5 | 100 ~ 1000 | Sus304/201. | 6001zz | 12.0 | Q235/Sus |
| VR-5721 | 57.2 × 2.1 | 100 ~ 1000 | Stkm | 6001zz | 12.0 | Q235 |
| VR-6023 | 60.5 × 2.3 | 100 ~ 1000 | Stkm | 6001zz | 12.0 | Q235 |
| VRS-6020 | 60 × 2.0 | 100 ~ 1000 | Sus304/201. | 6001zz | 12.0 | Q235/Sus |
| VR-7620 | 76.3 × 2.0 | 100 ~ 1000 | Stkm | 6001zz | 12.0 | Q235 |
| VRS-7620 | 76 × 2.0 | 100 ~ 1000 | Sus304/201. | 6001zz | 12.0 | Q235/Sus |

I -type Laki ng roller Lapad ng roller Roller Mat...
| I -type | Laki ng roller | Lapad ng roller | Roller Material | Diameter ng Shaft | Nagdadala |
| O-3812 | 38.1 × 1.2 | 100 ~ 1000 | Stkm | 12.0 | Ss |
| ORS-3815 | 38.1 × 1.5 | 100 ~ 1000 | Sus304/201. | 12.0 | Ss/Sus |
| O-4214 | 42.7 × 1.4 | 100 ~ 1000 | Stkm | 12.0 | Ss |
| O-5015 | 50.8 × 1.5 | 100 ~ 1000 | Stkm | 12.0 | Ss |
| ORS-5015 | 50 × 1.5 | 100 ~ 1000 | Sus304/201. | 12.0 | Ss/dagta |
| O-5721 | 57.2 × 2.1 | 100 ~ 1000 | Stkm | 12.0 | SS |
| O-6023 | 60.5 × 2.3 | 100 ~ 1000 | Stkm | 12.0 | SS |
| ORS-6020 | 60 × 2.0 | 100 ~ 1000 | Sus304/201. | 12.0 | SS/Resin |
Bakit Direktang Nakakaapekto ang Pagpapanatili ng Roller Conveyor sa Buhay ng System ...
Magbasa paAno ang Nagiging Tunay na Mabigat na Tungkulin ng Roller Conveyor? Ang isang heavy-duty ...
Magbasa paAno ang mga Roller Conveyor at Bakit Mahalaga ang Uri? Mga roller conveyor ay m...
Magbasa paBakit Ang mga Roller Conveyor ay Nananatiling Backbone ng Material Handling Mga roll...
Magbasa paMga bentahe ng produkto ng Wuxi Huiqian Hinimok na roller : Mataas na tibay at kapasidad ng pag-load
Ang Wuxi Huiqian Logistics Machinery Manufacturing Co, Ltd, na kilala sa pagsasama nito ng advanced na teknolohiyang logistik ng Hapon, ay nakatayo sa unahan ng pagbabago sa industriya ng paghawak ng materyal. Ang kumpanya ay dalubhasa sa paggawa ng isang malawak na hanay ng mga de-kalidad na kagamitan sa logistik, kabilang ang hinimok na roller , roller conveyor, at iba pang iba pang mga kritikal na sangkap. Sa pamamagitan ng isang comamitment sa katumpakan, pagiging maaasahan, at pagganap, ang mga hinimok na roller ng Wuxi Huiqian ay idinisenyo upang matugunan ang magkakaibang mga pangangailangan ng mga industriya na umaasa sa mahusay at maaasahang mga sistema ng paghawak ng materyal.
Ang mga hinihimok na roller ay naglalaro ng isang mahalagang papel sa maraming mga proseso ng logistik at pagmamanupaktura. Kung para sa paglipat ng malaki, mabibigat na item o maliit na mga pakete, ang mga roller na ito ay integral sa mga awtomatikong sistema na nag -streamline ng mga daloy ng trabaho at dagdagan ang kahusayan. Ang mga hinimok na roller ng Wuxi Huiqian, kabilang ang mga sprocket drive rollers at tapered drive rollers, ay inhinyero para sa tibay at pinakamainam na pagganap sa magkakaibang mga kapaligiran sa pagpapatakbo. Ang kumbinasyon ng mga advanced na materyales, teknolohiya ng paggupit, at mga napapasadyang disenyo ay ginagawang ginustong pagpipilian para sa mga industriya ang mga roller para sa mga industriya sa buong mundo.
Wuxi Huiqian hinimok na roller ay dinisenyo upang mapaglabanan ang mabibigat na naglo -load at patuloy na paggamit sa mga hinihingi na kapaligiran. Ang mga roller ay itinayo gamit ang mga materyales na may mataas na lakas tulad ng bakal at hindi kinakalawang na asero, na tinitiyak ang pangmatagalang pagganap kahit na sa ilalim ng mahigpit na mga kondisyon. Ang katatagan ng mga materyales na ito ay ginagarantiyahan na ang mga roller ay maaaring hawakan ang iba't ibang mga kapasidad ng pag -load, mula sa magaan na mga sangkap na pang -industriya hanggang sa mabibigat na mga bahagi ng makinarya, nang hindi ikompromiso ang kanilang integridad sa istruktura.
Ang sprocket drive rollers, lalo na, ay itinayo na may matibay, de-kalidad na bakal upang matiyak na makatiis sila sa metalikang kuwintas na kinakailangan upang magmaneho ng mga sistema ng conveyor sa hinihingi na mga aplikasyon. Katulad nito, ang mga tapered drive rollers, na idinisenyo na may isang anggulo upang mapadali ang makinis na operasyon, ay nagpapakita rin ng mataas na lakas at katatagan sa ilalim ng mabibigat na mga kondisyon ng pag -load. Ang advanced na pagpili ng materyal ay nagpapaliit sa pagsusuot at luha, pagpapahusay ng kakayahan ng mga roller na gumanap sa isang pinalawig na habang -buhay.
Ang isa sa mga pangunahing bentahe ng Wuxi Huiqian driven rollers ay ang kanilang kakayahang umangkop at kakayahang umangkop upang matugunan ang mga tiyak na mga kinakailangan sa customer. Sa pamamagitan ng isang malakas na koponan ng R&D sa timon, ang kumpanya ay maaaring bumuo ng mga pasadyang mga solusyon na nakahanay sa mga natatanging pangangailangan sa pagpapatakbo. Ang mga hinihimok na roller ay maaaring maiayon sa mga tuntunin ng laki, materyal, at pag -andar upang umangkop sa isang malawak na hanay ng mga aplikasyon. Kung pinapasadya nito ang diameter ng roller, haba, o pagdaragdag ng mga dalubhasang coatings, ang Wuxi Huiqian ay gumagana nang malapit sa mga customer upang matiyak na ang produkto ay tumutugma sa eksaktong mga pagtutukoy.
Ang kakayahang magbigay ng mga naaangkop na solusyon ay ginagawang perpekto ang mga hinihimok na roller para sa iba't ibang mga industriya, kabilang ang paggawa ng automotiko, paggawa ng pagkain at inumin, warehousing, logistik, at e-commerce. Ang mga roller ay maaaring maiakma upang magkasya sa iba't ibang uri ng mga sistema ng conveyor at mga linya ng produksyon, na ginagawa silang isang maraming nalalaman na sangkap sa anumang operasyon sa paghawak ng materyal.
Ang Wuxi Huiqian ay kilala para sa mataas na pamantayan ng engineering ng katumpakan, na mahalaga para matiyak ang maaasahang pagganap ng mga hinihimok na roller. Gumagamit ang kumpanya ng mga advanced na CNC (Computer Numerical Control) na makina upang gumawa ng mga hinihimok na roller na may pambihirang kawastuhan. Ginagarantiyahan ng katumpakan na ang mga roller ay ginawa sa eksaktong mga pagtutukoy na kinakailangan para sa bawat natatanging aplikasyon, na binabawasan ang mga pagkakataon ng madepektong paggawa o kawalan ng kakayahan.
Ang paggamit ng makinarya ng CNC ay nagsisiguro din na ang mga roller ay patuloy na gawa sa malalaking dami, na ginagawang posible upang mapanatili ang mataas na pamantayan sa paggawa at mabawasan ang panganib ng mga depekto. Ang katumpakan ay umaabot din sa disenyo ng mga sprockets at tapered tampok, na tinitiyak na ang mga kritikal na sangkap na ito ay gumaganap nang maayos at walang putol sa panghuling pagpupulong.
Ang Wuxi Huiqian driven roller ay idinisenyo upang magbigay ng mataas na kahusayan sa pagpapatakbo habang nangangailangan ng kaunting pagpapanatili. Ang mga roller ay inhinyero upang mabawasan ang alitan at pagsusuot, na bumababa sa dalas ng mga gawain sa pagpapanatili at pinalawak ang buhay ng serbisyo ng kagamitan. Ang tampok na ito ay lalong mahalaga sa mga industriya kung saan kinakailangan ang patuloy na operasyon at dapat na mabawasan ang downtime.
Ang mga sprocket drive rollers ay dinisenyo gamit ang mga interlocking ngipin na binabawasan ang slippage at mapahusay ang paglipat ng kapangyarihan, tinitiyak na ang sistema ng conveyor ay nagpapatakbo nang mahusay kahit sa ilalim ng mataas na mga kondisyon ng pag -load. Katulad nito, ang mga tapered drive rollers ay idinisenyo upang mabawasan ang panganib ng pinsala sa conveyor belt o nakapalibot na mga sangkap, pagpapabuti ng pangkalahatang pagiging maaasahan ng system.
Ang disenyo ng mababang pagpapanatili ng Wuxi Huiqian's driven rollers ay binabawasan ang mga gastos sa pagpapatakbo sa pamamagitan ng pagbaba ng mga pangangailangan sa pagpapanatili at ang potensyal para sa hindi inaasahang downtime. Bilang karagdagan, ang kumpanya ay nag-aalok ng isang komprehensibong sistema ng serbisyo pagkatapos ng benta, na tinitiyak na ang anumang mga isyu ay agad na tinugunan at ang mga customer ay maaaring mapanatili ang maayos na operasyon ng kanilang kagamitan.
Ang mga hinihimok na roller mula sa Wuxi Huiqian ay idinisenyo upang maging mahusay sa enerhiya, na mahalaga para sa pagbabawas ng mga gastos sa operating ng mga sistema ng paghawak ng materyal. Ang mga roller ay inhinyero upang mabawasan ang pagkonsumo ng enerhiya habang pinapanatili ang lakas na kinakailangan upang himukin ang mga sistema ng conveyor. Ang pokus na ito sa kahusayan ng enerhiya ay isinasalin sa mas mababang mga bayarin sa kuryente para sa mga negosyo, na nag -aambag sa pangkalahatang pagtitipid ng gastos at pagpapanatili ng kapaligiran.
Sa isang panahon kung saan ang mga negosyo ay lalong nababahala sa kanilang epekto sa kapaligiran, ang disenyo na mahusay na enerhiya ng mga hinimok na roller ng Wuxi Huiqian ay nagsisiguro na ang mga kumpanya ay maaaring gumana nang walang pagsasakripisyo o pagiging maaasahan.
Ang mga sprocket drive rollers ay isa sa mga pinaka -karaniwang ginagamit na uri ng mga hinihimok na roller sa mga sistema ng conveyor. Ang mga roller na ito ay idinisenyo upang hinihimok ng isang chain at nilagyan ng mga sprockets na nakikipag -ugnay sa chain, tinitiyak ang makinis at maaasahang operasyon. Ang materyal na ginamit para sa sprocket drive rollers ay karaniwang mataas na kalidad na bakal o hindi kinakalawang na asero, pinili para sa lakas, tibay, at kakayahang hawakan ang metalikang kuwintas na nabuo ng chain drive.
Ang mga sprocket drive rollers mula sa Wuxi Huiqian ay dinisenyo na may tumpak na pagpapahintulot upang matiyak na ang mga sprockets ay magkasya nang perpekto sa kadena, na binabawasan ang slippage at pag -maximize ang paghahatid ng kuryente. Ang mga roller ay ginagamot din upang pigilan ang pagsusuot at kaagnasan, pagpapahusay ng kanilang kahabaan ng buhay at pagbabawas ng mga pangangailangan sa pagpapanatili. Ang paggamit ng mga materyales na may mataas na lakas ay nagsisiguro na ang mga roller na ito ay maaaring hawakan ang mabibigat na naglo-load, na ginagawang angkop para sa mga pang-industriya na aplikasyon sa pagmamanupaktura, packaging, at pamamahagi.
Nagtatampok ang Tapered Drive Rollers ng isang disenyo na hugis ng kono na nagbibigay-daan para sa makinis at mahusay na paggalaw ng mga materyales sa isang sistema ng conveyor. Tinitiyak ng taper na ang mga materyales ay gumabay nang maayos sa kahabaan ng conveyor, pagbabawas ng alitan at pagpapahusay ng pangkalahatang kahusayan ng system. Ang materyal na ginamit para sa tapered drive rollers ay karaniwang hindi kinakalawang na asero o mataas na lakas na haluang metal na bakal, na nagbibigay ng mahusay na pagtutol sa pagsusuot at kaagnasan, na ginagawang angkop para sa iba't ibang mga kapaligiran, kabilang ang pagproseso ng pagkain, mga parmasyutiko, at mabibigat na pang-industriya.
Ang disenyo ng tapered ay nag -aambag din sa kakayahan ng roller na hawakan ang iba't ibang laki at timbang ng mga materyales, na ginagawang lubos na naaangkop ang mga roller na ito sa isang hanay ng mga aplikasyon. Ang Wuxi Huiqian's Tapered Drive Rollers ay gawa ng katumpakan upang matiyak na ang anggulo ng taper ay pare -pareho sa lahat ng mga roller, na nagbibigay ng isang pantay na pagganap sa buong sistema ng conveyor.
Ang paggamit ng hindi kinakalawang na asero at haluang metal na bakal sa pagtatayo ng mga hinihimok na roller ay nagsisiguro sa kanilang tibay sa malupit o kinakaing unti -unting mga kapaligiran. Ang mga materyales na ito ay lubos na lumalaban sa kalawang, kaagnasan, at pag -abrasion, na ginagawang perpekto para sa mga industriya kung saan nakalantad ang mga roller sa kahalumigmigan, kemikal, o iba pang mga hamon sa kapaligiran. Halimbawa, ang industriya ng pagkain at inumin, kung saan ang kalinisan ay isang priyoridad, nakikinabang mula sa mga katangian na lumalaban sa kaagnasan ng hindi kinakalawang na asero na hinihimok ng mga roller.
Ang mga katangian na lumalaban sa kaagnasan ng mga materyales ay makakatulong din na mapanatili ang integridad ng sistema ng conveyor sa paglipas ng panahon, na pumipigil sa magastos na pag-aayos at tinitiyak ang pare-pareho na pagganap.
Ang Wuxi Huiqian Logistics Machinery Manufacturing Co, ang mga hinimok na roller ng LTD, kabilang ang mga modelo ng sprocket drive at tapered drive, ay nag -aalok ng mga makabuluhang pakinabang sa mga tuntunin ng tibay, pagpapasadya, katumpakan na engineering, at kahusayan. Sa pamamagitan ng paggamit ng mga de-kalidad na materyales tulad ng bakal at hindi kinakalawang na asero, ang mga roller na ito ay nagbibigay ng pangmatagalang, mababang mga solusyon sa pagpapanatili para sa mga industriya na nagmula sa paggawa ng automotiko hanggang sa pagproseso ng logistik at pagkain. Ang kanilang kakayahang hawakan ang mabibigat na naglo -load, bawasan ang pagkonsumo ng enerhiya, at gumana nang maayos sa hinihingi na mga kapaligiran ay ginagawang isang maaasahang pagpipilian para sa anumang negosyo na naghahanap upang mai -optimize ang mga sistema ng paghawak ng materyal.
Nagdadala ng pagkakayari sa hinaharap.
No.60, Zhenhu North Road, Hudai Town, Binhu District , Wuxi 214100, China







