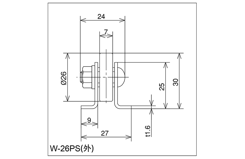
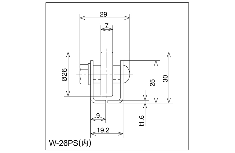
W-26PS (sa loob)
Cat:Resin wheel conveyor
I -type Laki ng roller D*w*d*b Baras Lak...
Advanced na istraktura, de-kalidad na pagganap, madaling gamitin, mataas na pagiging maaasahan at tibay.

I -type Laki ng roller D*w*d*b Baras Lak...
| I -type | Laki ng roller D*w*d*b | Baras | Laki ng frame H × W1 × W2 × W3 × T. | Taas H | Lengeh L | Wheel Pitch P | Nag -load ng solong gulong (kg) | Roller Material |
| W-26PS (sa loob) | 26 × 8 × 6 × 16 | M6 × 25L | 25 × 19.2 × 9 × 29 × 1.6 | 30 | 1000 · 1500 · 2000 | 30 · 35 | 30 | POM |

I -type Laki ng roller D*w*d*b Baras Lak...
| I -type | Laki ng roller D*w*d*b | Baras | Laki ng frame H × W1 × W2 × W3 × T. | Taas H | Lengeh L | Wheel Pitch P | Nag -load ng solong gulong (kg) | Roller Material |
| W-26PS (sa labas) | 26 × 8 × 6 × 10 | M6 × 20L | 25 × 28 × 9 × 24 × 1.6 | 30 | 1000 · 1500 · 2000 | 30 · 35 | 30 | POM |

I -type Laki ng roller D*w*d*b Baras Lak...
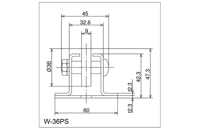
| I -type | Laki ng roller D*w*d*b | Baras | Laki ng frame H × W1 × W2 × W3 × T. | Taas H | Lengeh L | Wheel Pitch P | Nag -load ng solong gulong (kg) | Roller Material |
| W-38GS | 38 × 12 × 6 × 27 | M6 × 38L | 45 × 32.6 × 10 × 42 × 2.3 | 52 | 1800 · 2400 · 3000 | 50 · 75 · 100 · 150 | 30 | POM |

I -type Laki ng roller D*w*d*b Baras Lak...
| I -type | Laki ng roller D*w*d*b | Baras | Laki ng frame H × W1 × W2 × W3 × T. | Taas H | Lengeh L | Wheel Pitch P | Nag -load ng solong gulong (kg) | Roller Material |
| WB-36PS | 36 × 9 × 8 × 28 | M8 × 40L | 42.3 × 60 × 32 × 45 × 1.6 2.3 | 49.3 | 1800 · 2400 · 3000 | 50 · 75 · 100 | 10 | POM |

I -type Laki ng roller D*w*d*b Baras Lak...
| I -type | Laki ng roller D*w*d*b | Baras | Laki ng frame H × W1 × W2 × W3 × T. | Taas H | Lengeh L | Wheel Pitch P | Nag -load ng solong gulong (kg) | Roller Material |
| SW-38GS | 38 × 12 × 6 × 27 | M6 × 38L | 45 × 31 × 8.5 × 42 × 1.8 | 53 | 1800 · 2400 · 3000 | 50 · 75 · 100 · 150 | 30 | POM |

I -type Laki ng roller D*w*d*b Baras Lak...
| I -type | Laki ng roller D*w*d*b | Baras | Laki ng frame H × W1 × W2 × W3 × T. | Taas H | Lengeh L | Wheel Pitch P | Nag -load ng solong gulong (kg) | Roller Material |
| W-36PS | 36 × 9 × 8 × 28 | M8 × 40L | 42.3 × 60 × 32.6 × 45 × 2.3 | 47.3 | 1800 · 2400 · 3000 | 50 · 75 · 100 · 150 | 10 | POM |

I -type Laki ng roller D*w*d*b Baras Lak...
| I -type | Laki ng roller D*w*d*b | Baras | Laki ng frame H × W1 × W2 × W3 × T. | Taas H | Lengeh L | Wheel Pitch P | Nag -load ng solong gulong (kg) | Roller Material |
| W-36PW | 36 × 9 × 8 × 14 | M8 × 55L | 46.3 × 60 × 33 × 71 × 1.6 2.3 | 52.3 | 1800 · 2400 · 3000 | 50 · 75 · 100 · 150 | 10 | Pom |
| W-45uw | 45 × 16 × 8 × 22 | M8 × 65L | 46.3 × 60 × 33 × 87 × 1.6 2.3 | 56.8 | 1800 · 2400 · 3000 | 50 · 75 · 100 · 150 | 25 | ABS |

I -type Laki ng roller D*w*d*b Baras Lak...
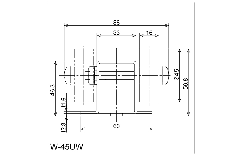
| I -type | Laki ng roller D*w*d*b | Baras | Laki ng frame H × W1 × W2 × W3 × T. | Taas H | Lengeh L | Wheel Pitch P | Nag -load ng solong gulong (kg) | Roller Material |
| W-45uw | 45 × 16 × 8 × 22 | M8 × 65L | 46.3 × 60 × 33 × 87 × 1.6 2.3 | 56.8 | 1800 · 2400 · 3000 | 50 · 75 · 100 · 150 | 25 | ABS |
Bakit Direktang Nakakaapekto ang Pagpapanatili ng Roller Conveyor sa Buhay ng System ...
Magbasa paAno ang Nagiging Tunay na Mabigat na Tungkulin ng Roller Conveyor? Ang isang heavy-duty ...
Magbasa paAno ang mga Roller Conveyor at Bakit Mahalaga ang Uri? Mga roller conveyor ay m...
Magbasa paBakit Ang mga Roller Conveyor ay Nananatiling Backbone ng Material Handling Mga roll...
Magbasa paNagdadala ng pagkakayari sa hinaharap.
No.60, Zhenhu North Road, Hudai Town, Binhu District , Wuxi 214100, China







