HJR-2015b
Cat:Resin Roller Conveyor
Lapad ng roller w (mm) 100 200 300 40...
Advanced na istraktura, de-kalidad na pagganap, madaling gamitin, mataas na pagiging maaasahan at tibay.
Ang mga conveyor ng Resin Roller ay karaniwang nagtatampok ng mga PVC roller na may isang integrated resin bear at ehe. Kasama sa mga pagpipilian sa frame ang bakal na pinahiran ng pulbos, hindi kinakalawang na asero, o aluminyo. Ang uri ng conveyor na ito ay angkop para sa mga item na light-load at naaangkop din sa pagkain, parmasyutiko, at kemikal na industriya.

Lapad ng roller w (mm) 100 200 300 40...
| Lapad ng roller w (mm) | 100 | 200 | 300 | 400 | 500 | |
| Lapad ng conveyor w 45 (mm) | 145 | 245 | 345 | 445 | 545 | |
| Naglo -load ng Roller (kg) | 11.5 | 10.7 | 10 | 9.2 | 7.0 | |
| 2000L Timbang ng Conveyor (kg) | 25p | 4.3 | 6.4 | 8.5 | 10.7 | 12.8 |
| 30p | 3.8 | 5.7 | 7.5 | 9.4 | 11.3 | |
| Timbang ng roller (g) | 33 | 55 | 78 | 100 | 12.2 | |

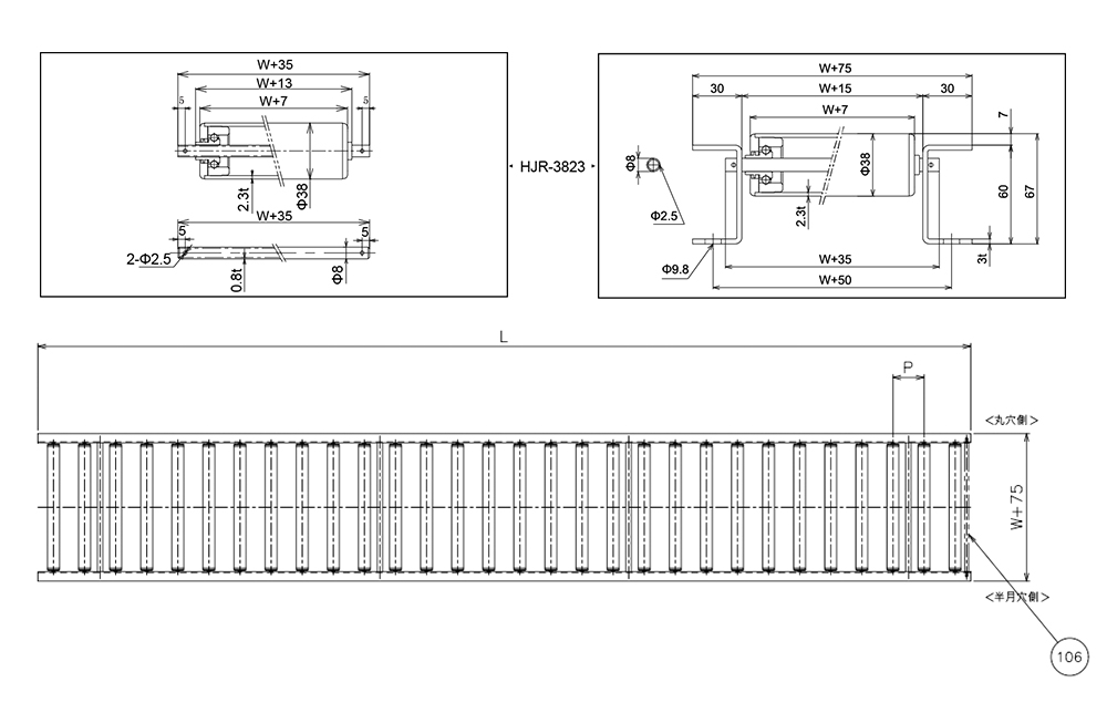
Lapad ng roller w (mm) 100 200 300 40...
| Lapad ng roller w (mm) | 100 | 200 | 300 | 400 | |
| Lapad ng conveyor w 45 (mm) | 145 | 245 | 345 | 445 | |
| Naglo -load ng Roller (kg) | 13.5 | 12.6 | 12.5 | 11.8 | |
| 2000L Timbang ng Conveyor (kg) | 30p | 6.5 | 8.5 | 11 | 19 |
| 40p | 5 | 7.5 | 10 | 12.3 | |
| Timbang ng roller (g) | 50.5 | 75 | 115 | 145 | |

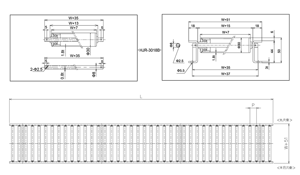
Lapad ng roller w (mm) 100 200 300 40...
| Lapad ng roller w (mm) | 100 | 200 | 300 | 400 | 500 | |
| Lapad ng conveyor w 51 (mm) | 151 | 251 | 351 | 451 | 551 | |
| Naglo -load ng Roller (kg) | 16.5 | 15.7 | 15 | 14.2 | 13.5 | |
| 1500L bigat ng conveyor (kg) | 40p | 7.2 | 10.8 | 14.5 | 18 | 21.7 |
| 50p | 6.2 | 9.2 | 12.2 | 15.1 | 18.2 | |
| Timbang ng roller (g) | 64 | 106 | 149 | 191 | 235 | |

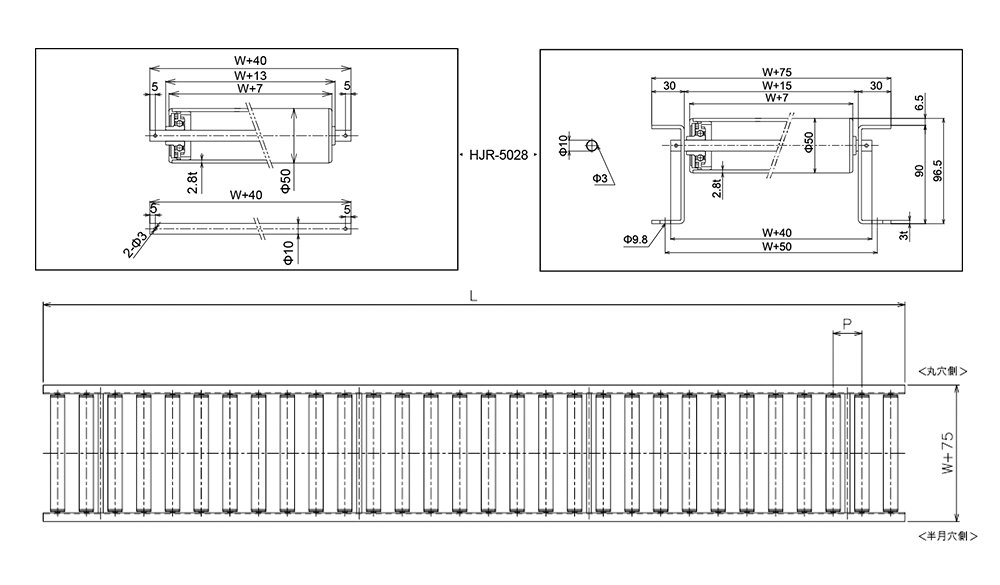
Lapad ng roller w (mm) 100 200 300 40...
| Lapad ng roller w (mm) | 100 | 200 | 300 | 400 | 500 | |
| Lapad ng conveyor w 75 (mm) | 175 | 275 | 375 | 475 | 575 | |
| Naglo -load ng Roller (kg) | 21.5 | 20.8 | 20.1 | 19.5 | 18.6 | |
| 3000L bigat ng conveyor (kg) | 50p | 11.5 | 15.2 | 18.8 | 22.5 | 26.2 |
| 75p | 9.7 | 12.3 | 14.8 | 17.5 | 20.0 | |
| Timbang ng roller (g) | 91 | 145 | 199 | 253 | 307 | |

Lapad ng roller w (mm) 100 200 300 40...
| Lapad ng roller w (mm) | 100 | 200 | 300 | 400 | 500 | 600 | |
| Lapad ng conveyor w 75 (mm) | 175 | 275 | 375 | 475 | 575 | 675 | |
| Naglo -load ng Roller (kg) | 32 | 31 | 30 | 29.5 | 28.5 | 27.7 | |
| 3000L bigat ng conveyor (kg) | 75p | 13.5 | 17.7 | 22.0 | 26.1 | 30.5 | 34.1 |
| 100p | 12.1 | 15.3 | 18.6 | 21.9 | 25.2 | 27.8 | |
| Timbang ng roller (g) | 148 | 243 | 339 | 435 | 530 | 626 | |

Lapad ng roller w (mm) 100 200 300 40...
| Lapad ng roller w (mm) | 100 | 200 | 300 | 400 | 500 | 600 | |
| Lapad ng conveyor w 75 (mm) | 175 | 275 | 375 | 475 | 575 | 675 | |
| Naglo -load ng Roller (kg) | 35 | 34 | 33 | 30 | 29 | 28.5 | |
| 3000L bigat ng conveyor (kg) | 75p | 14.4 | 19.3 | 24.2 | 29.0 | 34.0 | 38.2 |
| 100p | 12.7 | 16.5 | 20.3 | 23.9 | 27.8 | 30.9 | |
| Timbang ng roller (g) | 172 | 283 | 395 | 506 | 617 | 728 | |
Bakit Direktang Nakakaapekto ang Pagpapanatili ng Roller Conveyor sa Buhay ng System ...
Magbasa paAno ang Nagiging Tunay na Mabigat na Tungkulin ng Roller Conveyor? Ang isang heavy-duty ...
Magbasa paAno ang mga Roller Conveyor at Bakit Mahalaga ang Uri? Mga roller conveyor ay m...
Magbasa paBakit Ang mga Roller Conveyor ay Nananatiling Backbone ng Material Handling Mga roll...
Magbasa paNagdadala ng pagkakayari sa hinaharap.
No.60, Zhenhu North Road, Hudai Town, Binhu District , Wuxi 214100, China







