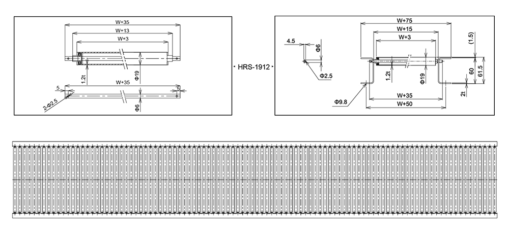
HRS-1210
Cat:Hindi kinakalawang na asero roller conveyor
Lapad ng roller w (mm) 100 200 300 40...
Advanced na istraktura, de-kalidad na pagganap, madaling gamitin, mataas na pagiging maaasahan at tibay.
Ang hindi kinakalawang na asero roller conveyor ay karaniwang ginagamit sa industriya ng pagkain, parmasyutiko, at kemikal. Kasama sa isang makitid na kahulugan ang mga conveyor na ganap na ginawa mula sa hindi kinakalawang na asero, kabilang ang mga roller, bearings, axles, screws, nuts, frame, at suporta. Malawak, hindi kinakalawang na asero na mga conveyor ng roller ay maaaring magkaroon ng ilang mga sangkap na walang bahid na bakal tulad ng bawat mga kinakailangan sa customer, habang pinapanatili pa rin ang hindi kinakalawang na istraktura ng bakal.

Lapad ng roller w (mm) 100 200 300 40...
| Lapad ng roller w (mm) | 100 | 200 | 300 | 400 | |
| Lapad ng conveyor w 45 (mm) | 145 | 245 | 375 | 445 | |
| Naglo -load ng Roller (kg) | 22 | 18 | 12 | 10 | |
| 1000L bigat ng conveyor (kg) | 15p | 5.5 | 8.9 | 12.2 | 15.6 |
| 20p | 4.5 | 7 | 9.6 | 12.2 | |
| Timbang ng roller (g) | 60 | 107 | 154 | 201 | |

Lapad ng roller w (mm) 100 200 300 40...
| Lapad ng roller w (mm) | 100 | 200 | 300 | 400 | 500 | |
| Lapad ng conveyor w 75 (mm) | 175 | 275 | 375 | 475 | 575 | |
| Naglo -load ng Roller (kg) | 30 | 21 | 14 | 10 | 7 | |
| 3000L bigat ng conveyor (kg) | 22p | 21.3 | 28.9 | 36.5 | 44.1 | 51.7 |
| 44p | 16.1 | 20.1 | 24.0 | 27.9 | 31.9 | |
| Timbang ng roller (g) | 85 | 130 | 183 | 237 | 290 | |

Lapad ng roller w (mm) 100 200 300 40...
| Lapad ng roller w (mm) | 100 | 200 | 300 | 400 | 500 | 600 | |
| Lapad ng conveyor w 45 (mm) | 175 | 275 | 375 | 475 | 575 | 675 | |
| Naglo -load ng Roller (kg) | 35 | 35 | 35 | 27 | 22 | 18 | |
| 2000L Timbang ng Conveyor (kg) | 30p | 15 | 21 | 27 | 32 | 39 | 45 |
| 50p | 12 | 15 | 19 | 23 | 27 | 30 | |
| Timbang ng roller (g) | 130 | 210 | 300 | 380 | 480 | 560 | |

Lapad ng roller w (mm) 100 200 300 40...
| Lapad ng roller w (mm) | 100 | 200 | 300 | 400 | 500 | 600 | |
| Lapad ng conveyor w 75 (mm) | 175 | 275 | 375 | 475 | 575 | 675 | |
| Naglo -load ng Roller (kg) | 75 | 70 | 46 | 35 | 28 | 23 | |
| 3000L bigat ng conveyor (kg) | 50p | 24.3 | 32.4 | 40.5 | 48.6 | 56.7 | 64.2 |
| 75p | 20 | 25.5 | 31.1 | 36.6 | 42.2 | 47.1 | |
| Timbang ng roller (g) | 217 | 345 | 473 | 601 | 729 | 857 | |

Lapad ng roller w (mm) 100 200 300 40...
| Lapad ng roller w (mm) | 100 | 200 | 300 | 400 | 500 | 600 | 700 | 800 | |
| Lapad ng conveyor w 75 (mm) | 175 | 275 | 375 | 475 | 575 | 675 | 775 | 875 | |
| Naglo -load ng Roller (kg) | 135 | 120 | 110 | 90 | 70 | 60 | 50 | 45 | |
| 3000L bigat ng conveyor (kg) | 75p | 29.8 | 38.2 | 42.7 | 51.2 | 59.7 | 67.5 | 75.9 | 80.4 |
| 100p | 25.9 | 32.3 | 35.8 | 42.3 | 48.7 | 54.6 | 61.0 | 64.4 | |
| Timbang ng roller (g) | 380 | 561 | 742 | 923 | 1104 | 1285 | 1466 | 1647 | |

Lapad ng roller w (mm) 100 200 300 40...
| Lapad ng roller w (mm) | 100 | 200 | 300 | 400 | 500 | 600 | 700 | 800 | |
| Lapad ng conveyor w 75 (mm) | 175 | 275 | 375 | 475 | 575 | 675 | 775 | 875 | |
| Naglo -load ng Roller (kg) | 128 | 112 | 96 | 80 | 63 | 52 | 47 | 43 | |
| 3000L bigat ng conveyor (kg) | 75p | 32.6 | 45.8 | 59 | 72.3 | 85.5 | 98.1 | 111.3 | 124.5 |
| 100p | 28 | 38 | 48 | 58.1 | 68.1 | 77.5 | 87.5 | 97.5 | |
| Timbang ng roller (g) | 467 | 776 | 1084 | 1392 | 1700 | 2008 | 2316 | 2624 | |

Lapad ng roller w (mm) 100 200 300 40...
| Lapad ng roller w (mm) | 100 | 200 | 300 | 400 | 500 | 600 | 700 | 800 | |
| Lapad ng conveyor w 75 (mm) | 175 | 275 | 375 | 475 | 575 | 675 | 675 | 675 | |
| Naglo -load ng Roller (kg) | 135 | 120 | 110 | 90 | 70 | 60 | 50 | 45 | |
| 3000L bigat ng conveyor (kg) | 75p | 37.4 | 53.5 | 69.5 | 85.7 | 101.7 | 117.1 | 133.2 | 149.2 |
| 100p | 31.6 | 43.8 | 55.9 | 68.1 | 80.3 | 91.8 | 103.9 | 116.0 | |
| Timbang ng roller (g) | 544 | 923 | 1302 | 1681 | 2060 | 2439 | 2818 | 3197 | |
Bakit Direktang Nakakaapekto ang Pagpapanatili ng Roller Conveyor sa Buhay ng System ...
Magbasa paAno ang Nagiging Tunay na Mabigat na Tungkulin ng Roller Conveyor? Ang isang heavy-duty ...
Magbasa paAno ang mga Roller Conveyor at Bakit Mahalaga ang Uri? Mga roller conveyor ay m...
Magbasa paBakit Ang mga Roller Conveyor ay Nananatiling Backbone ng Material Handling Mga roll...
Magbasa paNagdadala ng pagkakayari sa hinaharap.
No.60, Zhenhu North Road, Hudai Town, Binhu District , Wuxi 214100, China







