HR-TC220
Cat:Taper Roller Conveyor
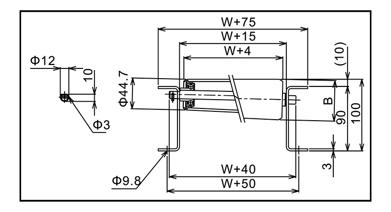
Lapad w (mm) 200 A (φ) Diameter ...
Advanced na istraktura, de-kalidad na pagganap, madaling gamitin, mataas na pagiging maaasahan at tibay.
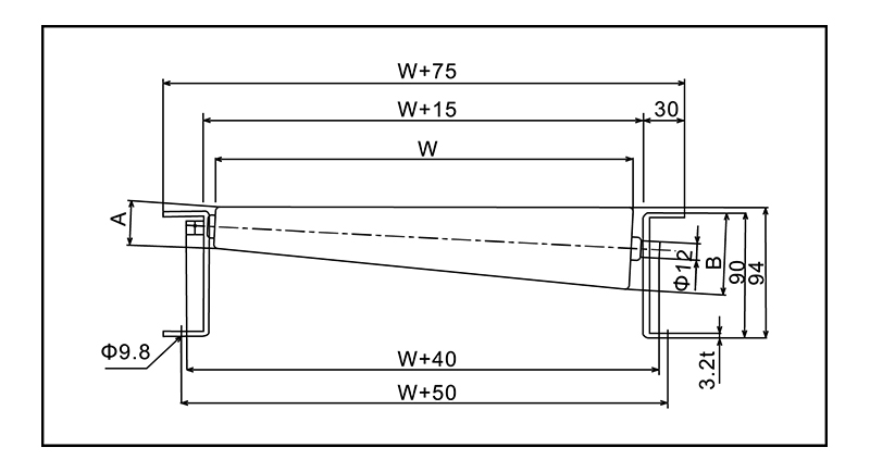
Kilala rin bilang curve roller conveyor, pinapayagan ng taper roller conveyor para sa pag -on ng mga anggulo ng 30, 45, 60, 90, at 180 degree. Pangunahing ginagamit ito para sa mga pagbabago sa direksyon sa mga linya ng conveyor, na may 30, 45, at 60 degree na madalas na ginagamit para sa pag -branching at pagsasama ng mga conveyor. Ang conveyor na ito ay isang magaan na uri na may kapasidad ng pag -load sa pangkalahatan na hindi hihigit sa 200 kg.
| R | I -type ang lapad | 200 | 300 | 400 | 500 | 600 | 700 | 800 | 900 | 1000 | 1100 | 1200 | Roller pitch |
| 220 | HR-TC220 | ○ | - | - | - | - | - | - | - | - | - | - | 50,75,100 |
| 320 | HR-TC320 | - | ○ | - | - | - | - | - | - | - | - | - | 50,75,100 |
| 500 | HR-TC500A | - | ○ | ○ | ○ | ○ | ○ | - | - | - | - | - | 75 |
| 700 | HR-TC700 | ○ | ○ | ○ | ○ | ○ | - | - | - | - | - | - | 75,100,150 |
| 900 | HR-TCN | - | ○ | ○ | ○ | ○ | ○ | ○ | - | - | - | - | 75,100,150 |
| HR-TC900 | ○ | ○ | ○ | ○ | ○ | - | - | - | - | - | - | 75,100,150 | |
| HR-TC900A | - | ○ | ○ | ○ | ○ | ○ | ○ | - | - | - | - | 75,100 | |
| HR-TCL | - | - | - | - | - | - | - | ○ | ○ | ○ | ○ | 75,100,150,200 | |
| 1200 | HR-TC1200 | ○ | ○ | ○ | ○ | ○ | - | - | - | - | - | - | 75,100,150 |
| HR-TC1200A | - | - | - | - | - | - | ○ | ○ | ○ | ○ | ○ | 75.100 | |
| 1600 | HR-TC1600 | - | - | ○ | ○ | ○ | ○ | ○ | - | - | - | - | 75,100,150,200 |

Lapad w (mm) 200 A (φ) Diameter ...
| Lapad w (mm) | 200 | |
| A (φ) | Diameter | 31.3 |
| Kapal | 3.5 | |
| B (φ) | Diameter | 60.5 |
| Kapal | 2.0 | |
| Paglo -load ng Roller (kg) | 100 | |

Lapad w (mm) 300 A (φ) Diameter ...
| Lapad w (mm) | 300 | |
| A (φ) | Diameter | 31.2 |
| Kapal | 3.6 | |
| B (φ) | Diameter | 60.5 |
| Kapal | 2.1 | |
| Paglo -load ng Roller (kg) | 100 | |

Lapad w (mm) 300 400 500 600 ...
| Lapad w (mm) | 300 | 400 | 500 | 600 | 700 | 800 | |
| A (φ) | Diameter | 42.7 | 42.7 | 42.7 | 42.7 | 42.7 | 42.7 |
| Kapal | 3.2 | 3.2 | 3.1 | 3.1 | 3.1 | 3.1 | |
| B (φ) | Diameter | 56.8 | 61.3 | 66.4 | 71.3 | 76.2 | 80.0 |
| Kapal | 2.1 | 2.1 | 2.1 | 2.1 | 2.0 | 2.0 | |
| Paglo -load ng Roller (kg) | 100 | 90 | 85 | 76 | 59 | 54 | |

Lapad w (mm) 900 1000 1100 1200 ...
| Lapad w (mm) | 900 | 1000 | 1100 | 1200 | |
| A (φ) | Diameter | 42.7 | 42.7 | 42.7 | 42.7 |
| Kapal | 3.5 | 3.8 | 4.5 | 4.5 | |
| B (φ) | Diameter | 86.7 | 91.0 | 95.3 | 100.0 |
| Kapal | 2.0 | 1.8 | 2.0 | 1.8 | |
| Paglo -load ng Roller (kg) | 110 | 95 | 87 | 80 | |

Lapad w (mm) 200 300 400 500 ...
| Lapad w (mm) | 200 | 300 | 400 | 500 | 600 | |
| A (φ) | Diameter | 41.3 | 41.3 | 41.3 | 41.3 | 41.3 |
| Kapal | 3.3 | 3.3 | 3.3 | 3.3 | 3.3 | |
| B (φ) | Diameter | 52.2 | 57.6 | 63.1 | 68.6 | 74.0 |
| Kapal | 2.5 | 2.4 | 2.4 | 2.3 | 2.3 | |

Lapad w (mm) 200 300 400 500 ...
| Lapad w (mm) | 200 | 300 | 400 | 500 | 600 | |
| A (φ) | Diameter | 45.0 | 45.0 | 45.0 | 45.0 | 45.0 |
| Kapal | 3.2 | 3.2 | 3.2 | 3.2 | 3.2 | |
| B (φ) | Diameter | 54.9 | 59.9 | 64.9 | 69.8 | 74.8 |
| Kapal | 2.2 | 2.2 | 2.1 | 2.1 | 2.0 | |

Lapad w (mm) 200 300 400 500 ...
| Lapad w (mm) | 200 | 300 | 400 | 500 | 600 | |
| A (φ) | Diameter | 48.0 | 48.0 | 48.0 | 48.0 | 48.0 |
| Kapal | 3.1 | 3.1 | 3.1 | 3.1 | 3.1 | |
| B (φ) | Diameter | 56.8 | 61.2 | 65.7 | 70.1 | 74.5 |
| Kapal | 2.3 | 2.3 | 2.2 | 2.2 | 2.1 | |

Lapad w (mm) 400 500 600 700 ...
| Lapad w (mm) | 400 | 500 | 600 | 700 | 800 | |
| A (φ) | Diameter | 50.0 | 50.0 | 50.0 | 50.0 | 50.0 |
| Kapal | 3.0 | 3.0 | 3.0 | 3.0 | 3.0 | |
| B (φ) | Diameter | 63.0 | 66.3 | 69.5 | 72.8 | 76.0 |
| Kapal | 2.3 | 2.2 | 2.2 | 2.1 | 2.0 | |

Lapad w (mm) 300 400 500 600 ...
| Lapad w (mm) | 300 | 400 | 500 | 600 | 700 | 800 | |
| A (φ) | Diameter | 42 | 42 | 42 | 42 | 42 | 42 |
| Kapal | 2 | 2 | 2 | 2 | 2 | 2 | |
| B (φ) | Diameter | 79 | 91 | 103 | 116 | 128 | 140 |
| Kapal | 20.5 | 26.5 | 32.5 | 39.0 | 45.0 | 51.0 | |

Lapad w (mm) 200 300 400 500 ...
| Lapad w (mm) | 200 | 300 | 400 | 500 | 600 | 700 | |
| A (φ) | Diameter | 44.7 | 44.7 | 44.7 | 44.7 | 44.7 | 44.7 |
| Kapal | 3.5 | 3.5 | 3.5 | 3.5 | 3.5 | 3.5 | |
| B (φ) | Diameter | 54.6 | 59.6 | 64.5 | 69.5 | 74.4 | 75 |
| Kapal | 2.4 | 2.3 | 2.3 | 2.2 | 2.2 | 2.2 | |

I -type Mark Katigasan Paglaban ng init ...
| I -type | Mark | Katigasan | Paglaban ng init | Malamig na pagtutol | Paglaban ng langis | Magsuot ng paglaban | |||
| Likas na goma | NR | Mga 60 | 120c | -50 ° ℃ | X | O | |||
| Ding nitrile goma | NBR | Mga 60 | 130c ° | -10 ° C. | O | O | |||
| Polyurethane Rubber | Pu | Mga 90 | 80c ° | -30 ° C. | O | O | |||
| Likas na goma | Ding nitrile goma | Roller | Diameter*kapal*diameter ng axis | Lapad ng roller | |||||
| RR-4812P | RRG-4812P | R-3812P | 48*5*12 | 100 ~ 1500 | |||||
| RR-4816 | RRG-4816 | R-3816 | 48*5*12 | 100 ~ 1500 | |||||
| RR-6721P | RRG-6721P | R-5721P | 67*5*12 | 100 ~ 1500 | |||||

Mga uri ng kalupkop Kalamangan Kapal ng kalupkop ...
| Mga uri ng kalupkop | Kalamangan | Kapal ng kalupkop |
| Electric galvanized | Puting sink, asul-puting sink, trivalent chromium | Higit sa 5 microns |
| Hard chrome plating | Mataas na tigas | Higit sa 3 microns |
Bakit Direktang Nakakaapekto ang Pagpapanatili ng Roller Conveyor sa Buhay ng System ...
Magbasa paAno ang Nagiging Tunay na Mabigat na Tungkulin ng Roller Conveyor? Ang isang heavy-duty ...
Magbasa paAno ang mga Roller Conveyor at Bakit Mahalaga ang Uri? Mga roller conveyor ay m...
Magbasa paBakit Ang mga Roller Conveyor ay Nananatiling Backbone ng Material Handling Mga roll...
Magbasa paNagdadala ng pagkakayari sa hinaharap.
No.60, Zhenhu North Road, Hudai Town, Binhu District , Wuxi 214100, China







