Medium case rack
Cat:Medium case rack
Ang medium case rack ay angkop para sa pag -iimbak ng maraming iba't -ibang at ilang dami ng...
Ang mga rack ng bodega, na kilala rin bilang mga rack ng imbakan, ay mga mahahalagang tool para sa mga modernong bodega upang mapabuti ang kahusayan sa pamamagitan ng paghahatid bilang kagamitan sa imbakan para sa mga nakabalot na item. Ang mga rack ay malawakang ginagamit sa mga supermarket, bodega, at mga sentro ng logistik. Ang iba't ibang mga disenyo at pagsasaayos ng mga rack ay maaaring matugunan ang mga pangangailangan ng imbakan ng iba't ibang mga lokasyon, pagpapahusay ng paggamit ng puwang at kahusayan sa pagpapatakbo.

Ang medium case rack ay angkop para sa pag -iimbak ng maraming iba't -ibang at ilang dami ng...
Ang medium case rack ay angkop para sa pag -iimbak ng maraming iba't -ibang at ilang dami ng mga kalakal.
Ang medium case rack ay angkop para sa pag-iimbak ng mga pinturang laki ng pint, kahon ng mga kalakal o mga espesyal na kalakal na mas mababa sa 500kg.
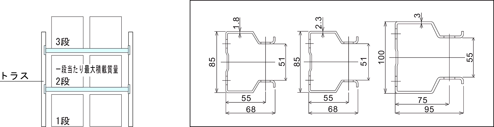
| I -type | Laki ng truss | Max loading | H | W | Mabisang lapad | Lapad ng pangunahing | Lalim | |
| 1 layer loading (kg) | Max loading (kg) | |||||||
| L | | 150 | 1000 | 1200 | 900 | 850 | 955 | 300 450 600 |
| 1200 | 1150 | 1255 | ||||||
| 1500 | 1450 | 1555 | ||||||
| 1800 | 1750 | 1855 | ||||||
| M | 300 | 1500 | 1500 | 900 | 850 | 955 | 450 600 750 900 | |
| 1200 | 1150 | 1255 | ||||||
| 1800 | 1500 | 1450 | 1555 | |||||
| 1800 | 1750 | 1855 | ||||||
| H | 500 | 2500 | 2100 | 900 | 850 | 955 | ||
| 2400 | 1200 | 1150 | 1255 | |||||
| 1500 | 1450 | 1555 | ||||||
| 1800 | 1750 | 1855 | ||||||
Paglo -load ng Kapasidad ng Kapasidad
Max loading (kg)
| I -type | Truss L1*l2*t | Max loading (kg) | ||||
| 4 na layer | 5.6 mga layer | |||||
| A | 25*25*1.5 | 300 | 400 | |||
| B | 32*32*1.5 | 450 | 600 | |||
| C | 38*38*1.8 | 600 | 800 | |||
Max loading (kg)
| Lalim/haba | 900 (mm) | 1200 (mm) | 1500 (mm) | 1800 (mm) | |||
| 300 (mm) | 100 | - | - | - | |||
| 450 (mm) | 150 | 150 | 100 | 60 | |||
| 600 (mm) | 200 | 200 | 150 | 100 | |||

Pagpipilian · Mayroong tatlong uri ng mabibigat na rack na ito: l...
Pagpipilian
| · Mayroong tatlong uri ng mabibigat na rack na ito: l, m, h
· Ang kapasidad ng pag -load ng max ay nakasalalay sa taas at mga layer, mangyaring sumangguni sa loading sheet.
· Ang kondisyon ng pag -aabuso ng kapasidad ng paglo -load ay kongkreto na lupa, at ang rack ay dapat na naayos sa pamamagitan ng mapapalawak na bolt. | |
| I -type | Taas (mm) | Lapad (mm) | Lalim (mm) |
| L Uri (magaan na timbang) | 2000 2500 3000 3500 4000 4500 5000 5500 6000 7000 8000 | 2000 2300 2500 2700 3000 3200 | 600 800 900 1000 1100 1200 |
| M uri (middling weight) | |||
| H Uri (mabibigat na timbang) |
Max loading ng truss
| Max loading ng bawat layer (kg) | |||||||||||
| Mga Layer/Truss/Taas (mm) | 2 layer | 3 layer | 4 layer | 5 layer | |||||||
| L | M | L | M | H | L | M | H | L | M | H | |
| 2000 | 4440 | 5470 | 3140 | 3870 | 5190 | 2360 | 2900 | 3890 | 1880 | 2320 | 3110 |
| 2500 | 4020 | 4960 | 3130 | 3860 | 5190 | 2360 | 2900 | 3890 | 1880 | 2320 | 3110 |
| 3000 | 3670 | 4540 | 2920 | 3600 | 5120 | 2360 | 2900 | 3890 | 1880 | 2320 | 3110 |
| 3500 | 3380 | 4180 | 2730 | 3370 | 4830 | 2290 | 2820 | 3890 | 1880 | 2320 | 3110 |
| 4000 | 3130 | 3870 | 2560 | 3170 | 4560 | 2170 | 2680 | 3820 | 1880 | 2320 | 3110 |
| 4500 | 2920 | 3610 | 2420 | 2990 | 4330 | 2070 | 2550 | 3650 | 1800 | 2220 | 3110 |
| 5000 | 2730 | 3380 | 2290 | 2830 | 4120 | 1970 | 2430 | 3500 | 1730 | 2130 | 3040 |
| 5500 | 2570 | 3180 | 2170 | 2690 | 3920 | 1880 | 2330 | 3360 | 1660 | 2050 | 2940 |
| 6000 | 2420 | 3000 | 2070 | 2560 | 3750 | 1800 | 2230 | 3230 | 1600 | 1970 | 2840 |
| 7000 | 2180 | 2690 | 1880 | 2330 | 3440 | 1660 | 2060 | 3000 | 1490 | 1840 | 2660 |
| 8000 | 1960 | 2440 | 1730 | 2140 | 3180 | 1540 | 1910 | 2800 | 1390 | 1720 | 2500 |
Pamantayan ng Walang Lindol na Bansang: K = 0.03 (Coefficient ng Pag -iling ng Antas))
Max loading ng beam
| Max loading ng bawat layer (kg) | |||||||
| Lapad/taas ng beam | 2000 | 2300 | 2500 | 2700 | 3000 | 3200 | |
| 80 | 1777 | 1344 | 1137 | - | - | - | |
| 100 | 2560 | 2226 | 1917 | 1644 | 1331 | 1170 | |
| 110 | 2918 | 2538 | 2335 | 2055 | 1665 | 1463 | |
| 120 | 3277 | 2849 | 2621 | 2427 | 2042 | 1794 | |
| 140 | 4045 | 3517 | 3236 | 2996 | 2697 | 2528 | |
| 160 | - | 4998 | 4598 | 4257 | 3831 | 3592 | |
Ang iba't ibang gabay ay maaaring mai -install ayon sa kaukulang mga forklift, na maaaring mabawasan ang lapad ng pagpasa ng pasilyo at magamit ang puwang.

[Riles Type] Ang tren ay maaaring magpasya sa pamamagitan n...
| [Riles Type] Ang tren ay maaaring magpasya sa pamamagitan ng mga bakuran Ang iba't ibang kondisyon ng setting ay maaaring maging sanhi ng iba't ibang mga kondisyon sa pagtatrabaho | Dalawang uri ng tren Nakapirming riles na ginamit ang operasyon ng FPR sigle-side |
| Manget bar na walang riles | |
Istraktura
Pangunahing detalye
| Side panel | Bilis | Motor | Kapangyarihan | Pagkontrol | Ligtas na kagamitan | |
| Rail | 12T (2-wheel type) 24T (4-wheel type) | Max 10m/min | Max 1.5kW | Single-phase Trinal-phase | Kinokontrol ng network | Awtomatikong pag -lock ng pasilyo Pumasok sa pagsuri Light indicator lamp Sa paglo -load ng proteksyon |
| 16t (2-wheel type) 32t (4-wheel type) | ||||||
| Hindi riles | 8t (2-wheel type) 16T (4-wheel type) |

Gumawa ng daluyan at mabibigat na rack ng pasilyo ng mataas na dalas. ...
| Gumawa ng daluyan at mabibigat na rack ng pasilyo ng mataas na dalas. Angkop para sa sunud -sunod na slanting na maaaring ilipat na rack na may mataas na dalas.
| Ang rack ay maaaring mapili sa pamamagitan ng laki ng kahon at dami ng mga kalakal. |
| Malawak na ginagamit sa logistik warehouse o linya ng produksyon. | |
| Ang wheel-conveyor ay maginhawa para sa pag-fasten o paglabas ng rack. |
Kakayahan
|
Madaling istraktura Madaling pag-install, frame at wheel-conveyor ay maaaring maiakma sa angkop na lugar.Suitable para sa pag-iimbak ng malaki o maliit na dami ng mga kalakal.
| |
|
Standard Wheel-Conveyor Roller ng Iron Core: ф28 | |
|
lmprovement ng kahusayan sa pagtatrabaho Madaling pag -iimbak ng mga kalakal, maginhawa para sa pagtatrabaho
|

Mga pag -andar Ang FLF...
|
Mga pag -andar Ang FLFO gravity rack ay batay sa pagkahilig (4%) ng slide track at patay na bigat ng mga kalakal. Ang mga gravity straight roller ay ginagamit bilang isang suporta para sa pag -slide down. Mataas ang lts throughput. Ang pag -iimbak at pagkuha ay maaaring isagawa nang sabay -sabay, kaya nadagdagan ang bilis ng daloy ng mga kalakal. Mga layunin Ang LT ay angkop para sa papag o malaking dami ng pag-iimbak at pagkuha, w/ mas kaunting uri ng mga kalakal. Ang bawat sliding track ay ginagamit para sa pag -iimbak at pagkuha bilang isang uri ng mga kalakal hangga't maaari. Ang LT ay may malawak na aplikasyon sa mga industriya tulad ng mekanikal, kemikal, elektronik, inumin at pagkain atbp.
| Preno roller |
Mga tampok
| Pallet Security Separator |

Angkop para sa pag-iimbak ng mga pinta na laki ay namatay. Pagtukoy 1. Paglo -load n...
Angkop para sa pag-iimbak ng mga pinta na laki ay namatay.
Pagtukoy
1. Paglo -load ng bawat layer: Max 1000kg
2. Maxlayers: 4Lagers
3. Dimensyon: 1300WX800L
4. HeightoCeachlayer: 500mm
5. Skidproofdouble-lock framework
6. Pag -aayos ng Bolt
7. Mga pagpipilian: ①lron clapboard ②four layer
Katangian
Angkop para sa pag -iimbak ng mabibigat na kalakal, mamatay ang dagta, namamatay ang metal at iba pa.
Ang layer ng slide palet ay maaaring tumaas at mahila.
Madali para sa Paggawa ng Paggawa.

Aisle Rack ...
|
Aisle Rack Angkop para sa pag -iimbak ng ilang iba't o malaking dami ng mabuti.
| |
|
Bakit Direktang Nakakaapekto ang Pagpapanatili ng Roller Conveyor sa Buhay ng System ...
Magbasa paAno ang Nagiging Tunay na Mabigat na Tungkulin ng Roller Conveyor? Ang isang heavy-duty ...
Magbasa paAno ang mga Roller Conveyor at Bakit Mahalaga ang Uri? Mga roller conveyor ay m...
Magbasa paBakit Ang mga Roller Conveyor ay Nananatiling Backbone ng Material Handling Mga roll...
Magbasa paAng kahalagahan ng Mga rack ng imbakan ng bodega Sa mga sentro ng logistik: isang pagtingin sa mga handog ni Wuxi Huiqian
Sa mga modernong sentro ng logistik, ang mahusay na paggamit ng puwang at samahan ay susi sa pag -maximize ng kahusayan sa pagpapatakbo. Mga rack ng bodega , na kilala rin bilang mga rack ng imbakan, ay mga kritikal na sangkap na makakatulong na makamit ang layuning ito. Sa pamamagitan ng pagbibigay ng nakabalangkas na imbakan para sa mga nakabalot na item, pinapagana ng mga rack ang madaling pag -access, i -optimize ang puwang ng sahig, at streamline na mga daloy ng trabaho. Sa mga abalang kapaligiran tulad ng mga bodega, supermarket, at mga sentro ng logistik, ang pagpili ng tamang sistema ng rack ay maaaring makabuluhang mapabuti ang parehong kapasidad ng imbakan at pagiging produktibo sa pagpapatakbo.
Sa Wuxi Huiqian Logistics Machinery Manufacturing Co, LTD, dalubhasa namin sa pagbibigay ng de-kalidad na mga racks ng imbakan, mga roller conveyor, mini conveyor, at iba pang kagamitan sa logistik na idinisenyo upang mapahusay ang kahusayan ng bodega. Ang aming mga produkto ay binuo gamit ang katumpakan at isama ang advanced na teknolohiya, tinitiyak ang pagiging maaasahan at pagganap sa isang malawak na hanay ng mga aplikasyon.
Mga rack ng bodega ng bodega Halika sa iba't ibang mga pagsasaayos at disenyo, ang bawat isa ay angkop sa mga tiyak na pangangailangan. Kung nangangailangan ka ng isang pangunahing yunit ng istante o isang kumplikadong sistema na sumusuporta sa pag-iimbak ng mabibigat na tungkulin, ang aming mga handog ay umaangkop sa magkakaibang mga kinakailangan. Sa pamamagitan ng isang pagtuon sa pag -optimize ng espasyo, ang aming mga rack ay tumutulong sa mga sentro ng logistik na masulit ang kanilang magagamit na lugar, na nagpapagana ng mas mahusay na pamamahala ng imbentaryo at mas maayos na operasyon.
Ang aming kadalubhasaan sa Wuxi Huiqian ay namamalagi hindi lamang sa paggawa ng mga top-notch logistic na kagamitan kundi pati na rin sa pagbibigay ng mga pasadyang solusyon para sa bawat customer. Naiintindihan namin na walang dalawang mga sentro ng logistik na magkapareho, at nag -aalok kami ng mga nababaluktot na disenyo na nakakatugon sa mga natatanging hamon sa imbakan. Mula sa matibay na mga frame hanggang sa nababagay na mga sistema ng istante, tinitiyak ng aming mga produkto na ang iyong mga pangangailangan sa imbakan ay natutugunan nang mahusay at epektibo ang gastos.
Ang lokasyon ng aming kumpanya sa Wuxi National Hi-Tech Technology Development District ay nagbibigay ng maginhawang pag-access sa transportasyon at nakapaligid na mga pasilidad, na nagpapahintulot sa mabilis, maaasahang paghahatid ng aming mga produkto. Sa pamamagitan ng isang dedikadong koponan at advanced na kagamitan sa pagproseso, sumunod kami sa isang mahigpit na kalidad ng pamamahala ng sistema (QMS) upang matiyak na ang bawat produkto ay nakakatugon sa pinakamataas na pamantayan ng tibay at pag -andar.
Habang ang industriya ng logistik ay patuloy na nagbabago, ang demand para sa mas mahusay at maraming nalalaman mga solusyon sa imbakan ay lumalaki. Sa Wuxi Huiqian, nananatili kaming nakatuon sa pagbuo ng mga makabagong sistema ng rack at kagamitan sa logistik na sumusuporta sa mga dynamic na pangangailangan ng mga modernong bodega at mga sentro ng logistik. Ang aming pokus sa kalidad, integridad, at kasiyahan ng customer ay nagsisiguro na kami ay isang mapagkakatiwalaang kasosyo para sa mga negosyong naghahanap upang mapagbuti ang kanilang mga kakayahan sa pag -iimbak.
Sa pamamagitan ng pagpili ng mga produkto ng Wuxi Huiqian, hindi ka lamang namuhunan sa mga rack ng bodega; Pinahuhusay mo ang kahusayan at pagiging epektibo ng iyong mga operasyon sa logistik. Inaanyayahan namin ang lahat ng mga negosyo upang galugarin ang aming mga solusyon at makita kung paano namin makakatulong na ma -optimize ang kanilang mga sistema ng imbakan. Ang iyong puna at pananaw ay palaging malugod na tinatanggap habang patuloy kaming nagsusumikap para sa kahusayan sa bawat produkto na inihahatid namin.
Streamlining Logistics: Paano Warehouse Rack Pagandahin ang pagiging produktibo sa pagpapatakbo
Ang mahusay na mga solusyon sa imbakan ay nasa gitna ng modernong logistik, at ang mga rack ng bodega ay kritikal sa pag -stream ng mga operasyon. Sa pamamagitan ng pagbibigay ng organisado, madaling pag-access sa imbakan, ang mga rack na ito ay tumutulong sa pag-optimize ng puwang, bawasan ang mga pagkaantala sa pagpapatakbo, at mapahusay ang pangkalahatang produktibo. Ang isang mahusay na dinisenyo na sistema ng rack ay maaaring kapansin-pansing mapabuti ang mga workflows ng bodega, na humahantong sa mas mabilis na katuparan ng order at mas mahusay na kontrol sa imbentaryo.
Ang Wuxi Huiqian Logistics Machinery Manufacturing Co, LTD ay nagdadalubhasa sa mga de-kalidad na rack ng bodega at kagamitan sa logistik na pinasadya upang matugunan ang magkakaibang mga pangangailangan ng mga mabilis na paglipat ng industriya ngayon. Ang aming mga rack ay idinisenyo upang ma -maximize ang kapasidad ng imbakan at pagbutihin ang pag -access, na tumutulong sa mga kumpanya na mabawasan ang mga bottlenecks ng pagpapatakbo at mabawasan ang downtime. Sa pamamagitan ng isang pagtuon sa kahusayan, naghahatid kami ng mga solusyon na makakatulong sa mga negosyo na mas epektibo ang kanilang mga kalakal.
Isa sa mga pangunahing bentahe ng Mga rack ng imbakan ng bodega ay ang kanilang kakayahang mag -optimize ng puwang. Sa pamamagitan ng paggamit ng vertical na imbakan, ang mga rack ay nagdaragdag ng density ng imbakan at tulungan ang mga kumpanya na masulit ang kanilang magagamit na puwang ng bodega. Binabawasan nito ang pangangailangan para sa pagpapalawak o karagdagang mga lugar ng imbakan, na nagreresulta sa mas mababang mga gastos sa pagpapatakbo at pinahusay na kakayahang kumita.
Bilang karagdagan sa mga rack, nag -aalok ang Wuxi Huiqian ng isang kumpletong hanay ng mga kagamitan sa logistik, kabilang ang mga roller conveyor, mini conveyor, at mga sistema ng istante, lahat ay idinisenyo upang gumana nang walang putol. Kung kailangan mo ng mabibigat na imbakan para sa mga bulk item o higit pang mga dalubhasang solusyon para sa tukoy na imbentaryo, ang aming mga produkto ay madaling iakma at napapasadya upang magkasya sa anumang layout.
Matatagpuan sa Wuxi National Hi-Tech Technology Development District, perpektong nakaposisyon kami upang maglingkod sa aming mga kliyente na may mabilis na paghahatid at pambihirang serbisyo. Ang aming koponan, na nilagyan ng advanced na teknolohiya at isang matatag na sistema ng pamamahala ng kalidad, ay nagsisiguro na ang bawat produkto na ginagawa namin ay nakakatugon sa pinakamataas na pamantayan para sa tibay at pagganap.
Habang ang mga hinihingi ng logistik ay patuloy na lumalaki, ang kahalagahan ng mahusay na mga sistema ng imbakan ay hindi maaaring ma -overstated. Sa Wuxi Huiqian, nakatuon kami sa pagsulong ng aming mga disenyo ng rack ng bodega upang matulungan ang mga kumpanya na mapabuti ang pagiging produktibo sa pagpapatakbo. Sa pamamagitan ng pagpili ng aming mga produkto, maaaring mai -optimize ng mga negosyo ang kanilang mga kakayahan sa pag -iimbak at magmaneho ng higit na kahusayan sa kanilang operasyon.
Pamumuhunan sa Wuxi Huiqian's Mga rack ng bodega ng bodega ay higit pa sa isang solusyon sa imbakan; Ito ay isang pamumuhunan sa pangmatagalang produktibo at tagumpay ng iyong negosyo. Tulungan ka naming i -streamline ang iyong mga operasyon sa logistik at dalhin ang iyong negosyo sa susunod na antas.
Nagdadala ng pagkakayari sa hinaharap.
No.60, Zhenhu North Road, Hudai Town, Binhu District , Wuxi 214100, China







