DC-57D (DC-60D) DC Motor Roller Conveyor
Cat:Electric Motor Roller Conveyor
Modeloo DC-57D (DC-60D) Drive Mode ...
Ang motor roller conveyor ay isang uri ng conveyor kung saan pinapalitan ng mga electric roller ang tradisyunal na motor ng drive upang paikutin ang mga roller. Ang disenyo na ito ay nag-maximize sa pag-iimpok ng espasyo, na ginagawang angkop lalo na para sa mga multi-level na mga conveyor at mga aplikasyon na nangangailangan ng mga ultra-low na taas. Ang mga motor roller ay inuri sa dalawang uri batay sa boltahe: AC (alternating kasalukuyang) at DC (Direct Current) .

Modeloo DC-57D (DC-60D) Drive Mode ...
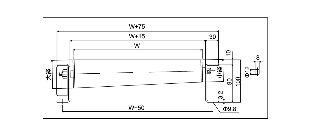
| Modeloo | DC-57D (DC-60D) | ||
| Drive Mode | Motor Roller (PUV Belt) | ||
| Auxiliary Roller Diameter x kapal ng X shaft | 57.2 × 1.4 × 12 (60.5 × 2.3 × 12) (Galvanizing) | ||
| Lapad ng roller | 300 ~ 1000 | ||
| Roller pitch | 75 100 150 | ||
| Laki ng frame | 90 × 30 × 3.2 | ||
| Haba (l) | 1000 (1050) 1500 2000 (1950) 3000m | ||
| Lapad ng conveyor | W 75 | ||
| Bilis (m/min) | Model 25 Uri 30 uri 40 uri 95 Uri | Min 5.8 7.0 9.6 21.2 | Max 31.4 38.3 52.4 115.0 |
| Kapangyarihan ng motor | 35W | ||
| Kapangyarihan | DC24V | ||

Modeloo DC-57AQ (DC-60AQ) Drive Mode ...
| Modeloo | DC-57AQ (DC-60AQ) | ||
| Drive Mode | Motor Roller (PU V Belt) | ||
| Auxiliary Roller Diameter x kapal ng X shaft | 57.2x1.4x12 (60.5 × 2.3 × 12) (Galvanizing) | ||
| Lapad ng roller | 300 ~ 1000 | ||
| Roller pitch | 75 100 150 | ||
| Laki ng frame | 90 × 30 × 3.2 (120 × 30 × 3.2) | ||
| Haba (l) | 1000 (1050) 1500 2000 (1950) 3000m | ||
| Lapad ng conveyor | W 120 | ||
| Bilis (m/min) | Model 25 Uri 30 uri 40 uri 95 Uri | Min 5.8 7.0 9.6 21.2 | Max 31.4 38.3 52.4 115.0 |
| Kapangyarihan ng motor | 35W | ||
| Kapangyarihan | DC24V | ||

Lapad ng roller 500 600 700 800 ...
| Lapad ng roller | 500 | 600 | 700 | 800 | |
| Molor Roller | 42.7x66.5 | 42.7x71.3 | 42.7x76.7 | 42.7x80.0 | |
| Auxiliary Roller | 42.7x66.4 | 42.7x71.3 | 42.7x76.2 | 42.7x80.0 | |
| Bilis v 50/60Hz (m/min) | 3 | 2.3/2.6 | 2.5/2.8 | 2.6/2.9 | 2.6/3.0 |
| 4 | 3.2/3.6 | 3.4/3.8 | 3.5/3.9 | 3.6/4.0 | |
| 5 | 4.5/4.9 | 4.2/4.6 | 4.4/4.8 | 4.5/4.9 | |
| 10 | 8.7/10.3 | 11.2/13.3 | 11.7/14.0 | 12.0/14.3 | |
| 15 | 11.8/14.1 | 12.4/14.8 | 12.9/15.5 | 13.3/15.8 | |
| 20 | 16.2/19.3 | 17/20.2 | 17.8/21.1 | 18.2/21.6 | |
Bakit Direktang Nakakaapekto ang Pagpapanatili ng Roller Conveyor sa Buhay ng System ...
Magbasa paAno ang Nagiging Tunay na Mabigat na Tungkulin ng Roller Conveyor? Ang isang heavy-duty ...
Magbasa paAno ang mga Roller Conveyor at Bakit Mahalaga ang Uri? Mga roller conveyor ay m...
Magbasa paBakit Ang mga Roller Conveyor ay Nananatiling Backbone ng Material Handling Mga roll...
Magbasa paPaano ang Wuxi Huiqian Logistics Machinery Manufacturing Co, Ltd's Mga conveyor ng motor roller Pangasiwaan ang akumulasyon ng produkto o mga backlog?
Sa mabilis na bilis ng logistik at mga kapaligiran sa pagmamanupaktura, ang mahusay na paghawak ng akumulasyon ng produkto at mga backlog ay mahalaga sa pagpapanatili ng makinis na operasyon at maiwasan ang mga pagkaantala. Wuxi Huiqian Logistics Machinery Manufacturing Co., Ltd., a leader in logistics equipment manufacturing, offers an innovative solution to these challenges with their Motorized conveyor . Ang mga conveyor na ito, na pinalakas ng integrated electric roller, ay nagbibigay ng mahusay na pagganap sa pamamahala ng daloy ng produkto, lalo na sa mga multi-level system at mga aplikasyon na may limitadong espasyo.
Tungkol sa Wuxi Huiqian Logistics Makinarya Manufacturing Co, Ltd.
Itinatag sa Wuxi, China, Wuxi Huiqian Logistics Makinarya Manufacturing Co, Ltd. Kasama sa mga handog ng kumpanya ang isang malawak na hanay ng mga produkto, tulad ng mga roller, roller conveyor, belt conveyor, storage cages, logistics trolley, mini conveyor, frame, at istante. Sa pamamagitan ng isang pagtuon sa pagsasama ng advanced na teknolohiya ng Hapon, ang kumpanya ay nakakuha ng isang reputasyon para sa paggawa ng maaasahang at mataas na pagganap na makinarya.
Matatagpuan sa Wuxi National Hi-Tech Technology Development District, ang kumpanya ay nakikinabang mula sa maginhawang transportasyon at isang buong hanay ng mga nakapalibot na pasilidad na sumusuporta sa mahusay na paggawa at pamamahagi. Ang Wuxi Huiqian ay sumunod sa isang mahigpit na sistema ng pamamahala ng kalidad (QMS) at gumagamit ng isang mataas na bihasang manggagawa, tinitiyak na ang bawat produkto ay nakakatugon sa pinakamataas na pamantayan ng kalidad.
Mga Mga conveyor ng motor roller: Ang susi sa paghawak ng mga backlog ng produkto
Sa mga operasyon ng logistik at pagmamanupaktura, ang akumulasyon ng produkto o mga backlog ay nangyayari kapag ang mga item ay nakasalansan sa iba't ibang mga punto kasama ang linya ng produksyon o transportasyon dahil sa mga kahusayan, mga limitasyon ng kagamitan, o mga pagbabago sa bilis ng pagproseso. Kung walang tamang pamamahala, ang mga backlog ay maaaring humantong sa mga pagkaantala, pagtaas ng mga gastos sa paggawa, at potensyal na pinsala sa mga kalakal.
Dito naglalaro ang mga motor roller conveyor. Ang mga conveyor na ito, na pinalakas ng mga de-koryenteng motor na itinayo nang direkta sa mga roller, ay nag-aalok ng isang mahusay na solusyon sa espasyo, mababang-profile na solusyon sa paghawak ng mga backlog sa isang mabisang paraan.
Paano Motorized roller conveyor Tulungan pamahalaan ang akumulasyon ng produkto:
Pinagsamang motor roller para sa makinis na operasyon: ang natatanging disenyo ng Motor Roller Conveyors nagsasangkot sa pagsasama ng drive motor sa loob ng mga roller mismo. Tinatanggal nito ang pangangailangan para sa mga panlabas na motor, sinturon, at kadena, na nagreresulta sa isang mas compact, naka -streamline na sistema ng conveyor. Sa masikip o multi-level na mga kapaligiran, tinitiyak ng disenyo na ito na ang system ay tumatakbo nang maayos nang hindi kumonsumo ng labis na puwang-isang mahahalagang tampok kapag paghawak ng akumulasyon ng produkto.
Ang tumpak na kontrol ng daloy ng produkto: Ang mga conveyor ng roller ng motor ay nag -aalok ng mas mahusay na kontrol ng daloy ng produkto kumpara sa mga tradisyunal na sistema. Ang kakayahang tumpak na pamahalaan ang bilis at direksyon ng mga roller ay tumutulong upang maiwasan ang mga blockage at mga backup ng produkto, tinitiyak na ang mga item ay patuloy na lumipat sa tamang bilis. Sa pamamagitan ng pagpigil sa labis na karga sa iba't ibang mga punto kasama ang conveyor, binabawasan ng mga electric roller ang posibilidad ng mga jam ng produkto at backlog.
Flexible Speed Adjustment: Ang isa sa mga pangunahing benepisyo ng mga motor roller conveyor ay ang kakayahang madaling ayusin ang mga bilis. Ang tampok na ito ay mahalaga sa pagpigil sa mga backlog, dahil pinapayagan nito ang pamamahala ng daloy bilang tugon sa mga pagbabago sa bilis ng produksyon. Kung ang isang akumulasyon ng mga produkto ay nagsisimula upang mabuo sa isang partikular na yugto, ang bilis ng conveyor ay maaaring maiakma upang maibsan ang kasikipan, na nagpapagana ng mga item na magpatuloy sa paglipat ng mahusay sa pamamagitan ng system.
Disenyo ng pag-save ng espasyo at mababang-profile: Ang mga conveyor ng motor roller ay partikular na kapaki-pakinabang sa mga kapaligiran kung saan limitado ang puwang. Ang kanilang compact, low-profile na disenyo ay ginagawang angkop sa kanila para sa masikip na mga puwang, mga sistema ng multi-level, o mga lugar kung saan ang pag-aalala ng overhead clearance. Ang kakayahang gumana sa mga napilitang puwang, nang walang pag -kompromiso sa pagganap, ay napakahalaga sa pagtugon sa akumulasyon ng produkto, lalo na kung ang mga produkto ay kailangang isalansan o pinagsunod -sunod sa isang limitadong lugar.
Kahusayan ng enerhiya at tahimik na operasyon: hindi tulad ng tradisyonal na mga sistema ng conveyor na maaaring mangailangan ng mga panlabas na motor, gears, o pulley, Motorized roller conveyor ay pinapagana nang direkta ng mga roller mismo, na ginagawang mahusay ang mga ito. Ang kakulangan ng mga labis na sangkap ay binabawasan din ang mga antas ng ingay, na nagbibigay ng isang mas tahimik at mas kaaya -aya na kapaligiran sa pagtatrabaho, na maaaring maging kapaki -pakinabang sa mga kapaligiran na nangangailangan ng patuloy na operasyon.
Pinahusay na Kaligtasan ng Produkto: Sa pamamagitan ng pag -iwas sa labis na akumulasyon ng mga produkto at tinitiyak ang makinis at pare -pareho na paggalaw, binabawasan ng mga conveyor ng motor ang panganib ng pinsala ng produkto, na madalas na isang pag -aalala kapag ang mga item ay natigil o pilit na inilipat sa mga tradisyunal na sistema. Ang kanilang maaasahang operasyon ay nagpapaliit sa panganib ng mga item na nasira sa panahon ng proseso ng paghawak.
Mga uri ng mga electric roller at ang kanilang papel sa paghawak ng produkto
Ang mga electric roller ay maaaring ikinategorya sa dalawang uri batay sa uri ng de -koryenteng kasalukuyang ginagamit nila: AC (alternating kasalukuyang) at DC (direktang kasalukuyang). Ang bawat uri ay may mga tiyak na pakinabang nito depende sa application at ang antas ng kontrol na kinakailangan.
Ang AC motor rollers ay mainam para sa mga high-volume o mabibigat na tungkulin na aplikasyon kung saan kinakailangan ang patuloy na operasyon. Ang mga ito ay mas matibay at magastos, na ginagawang isang mahusay na pagpipilian para sa mga malalaking sistema ng conveyor o mga kapaligiran na may pare-pareho na mga kinakailangan sa daloy.
Ang mga roller ng motor ng DC ay ginustong kapag kinakailangan ang tumpak na kontrol ng bilis. Ang kanilang kakayahang magbigay ng mas maayos na operasyon at variable na mga pagsasaayos ng bilis ay ginagawang perpekto para sa mga aplikasyon kung saan ang mga produkto ay kailangang hawakan nang maselan o kung saan naganap ang madalas na pagsisimula/ihinto na operasyon.
Konklusyon: Pamamahala ng akumulasyon ng produkto kasama ang Wuxi Huiqian's Motor Roller Conveyors
Nag -aalok ang Wuxi Huiqian Logistics Machinery Manufacturing Co, Ltd ng isang matatag na solusyon sa karaniwang problema ng akumulasyon ng produkto at mga backlog kasama ang mga motor roller conveyor nito. Sa pamamagitan ng pagsasama ng advanced na teknolohiya at pagbibigay ng pag-save ng puwang, mahusay na disenyo ng enerhiya, ang mga conveyor na ito ay nakakatulong na ma-optimize ang daloy ng materyal sa iba't ibang mga industriya, mula sa pagmamanupaktura hanggang sa pamamahagi.
Ang kakayahang tumpak na kontrolin ang bilis, direksyon, at spacing ng mga produkto ay hindi lamang nagsisiguro ng maayos na operasyon ngunit pinipigilan din ang mga bottlenecks at jam, na binabawasan ang downtime at pagpapabuti ng pangkalahatang kahusayan. Kung sa masikip na mga puwang, mga multi-level system, o mga operasyon na may mataas na dami, ang mga motor roller conveyor ay nagbibigay ng isang nababaluktot at maaasahang solusyon para sa pamamahala ng daloy ng produkto at pagtanggal ng mga backlog.
Kung nais mong i -optimize ang iyong mga proseso ng logistik at hawakan nang mas epektibo ang akumulasyon ng produkto, ang mga wuxi huiqian's motor roller conveyor ay ang sagot. Makipag -ugnay sa amin ngayon upang malaman ang higit pa tungkol sa kung paano mapapahusay ng aming mga produkto ang iyong mga operasyon at pagbutihin ang iyong pangkalahatang kahusayan.
Nagdadala ng pagkakayari sa hinaharap.
No.60, Zhenhu North Road, Hudai Town, Binhu District , Wuxi 214100, China



