Stainless Steel BCHA Series
Cat:Universal Ball
Modelo Hindi. (...
Advanced na istraktura, de-kalidad na pagganap, madaling gamitin, mataas na pagiging maaasahan at tibay.

Modelo Hindi. (...
| Modelo Hindi. | (kg) Naglo -load Capacit y | ( mm ) Sukat | (kg) Timbang | |||||||
| Materyal | Iminumungkahi | Max . | ||||||||
| d | D | D1 | H | H1 | H2 | |||||
| BCHA7.5 | SS/SS | 2 | 3 | 4 | 9 | 7.5 | 6.1 | 1.1 | 4 | 0.005 |
| BCHA9 | SS/SS | 3 | 4 | 4.76 | 11 | 9 | 7.2 | 1.2 | 5 | 0.008 |
| BCHA11 | SS/SS | 4 | 5 | 5.56 | 13 | 11 | 8.5 | 1.5 | 6 | 0.010 |
| BCHA15 | SS/SS | 6 | 7 | 8.73 | 17 | 15 | 12.5 | 2.5 | 9 | 0.015 |
| BCHA18 | SS/SS | 8 | 10 | 10.32 | 20 | 18 | 14.5 | 3.5 | 10 | 0.030 |
| BCHA24 | SS/SS | 12 | 18 | 15.87 | 26 | 24 | 20.8 | 5.3 | 14 | 0.060 |
| BCHA30 | SS/SS | 15 | 20 | 19.05 | 32 | 30 | 25.3 | 6.3 | 17 | 0.185 |

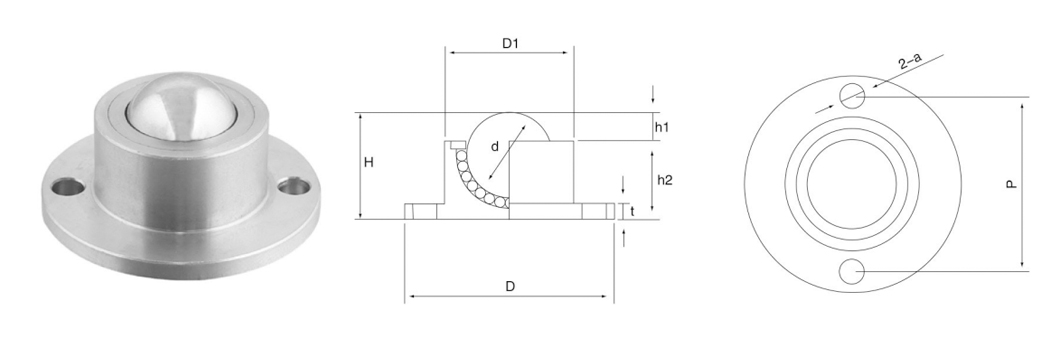
Modelo Hindi. (...
| Modelo Hindi. | (kg) Naglo -load Capacit y | (mm) Sukat | ||||||||||
| Materyal | Iminumungkahi | Max . | ||||||||||
| d | D | D1 | H | H1 | H2 | t | P | a | ||||
| BCHF27 | SS/SS | 6 | 7 | 8.73 | 27 | 15 | 12 | 2.5 | 9.5 | 2 | 21 | 3.5 |
| BCHF30 | SS/SS | 8 | 10 | 10.32 | 30 | 18 | 15 | 3.5 | 11.5 | 2 | 24 | 3.5 |
| BCHF39 | SS/SS | 12 | 18 | 15.87 | 39 | 24 | 20 | 5.3 | 14.7 | 3 | 31.5 | 4.5 |
| BCHF48 | SS/SS | 15 | 20 | 19.05 | 48 | 30 | 25 | 6.3 | 18.7 | 4 | 39 | 5.5 |

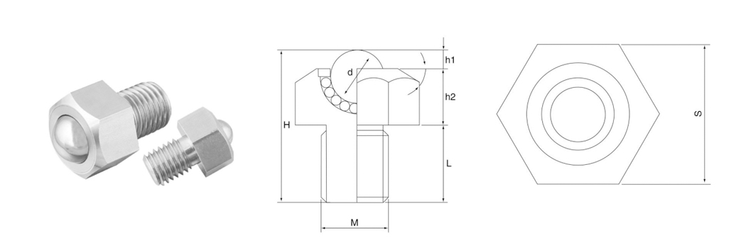
Modelo Hindi. (...
| Modelo Hindi. | (kg) Naglo -load Kapasidad | (mm) Sukat s | ||||||||
| Materyal | Sugges t | Max . | ||||||||
| d | H | H1 | H2 | M | L | S | ||||
| BCHL5 | SS/SS | 2 | 3 | 4 | 12.1 | 1.1 | 5 | 5 | 6 | 8 |
| BCHL6 | SS/SS | 3 | 4 | 4.76 | 15.2 | 1.2 | 6 | 6 | 8 | 10 |
| BCHL8 | SS/SS | 4 | 5 | 5.56 | 18.5 | 1.5 | 7 | 8 | 10 | 13 |
| BCHL10 | SS/SS | 6 | 7 | 8.73 | 24.5 | 2.5 | 10 | 10 | 12 | 17 |
| BCHL12 | SS/SS | 8 | 10 | 10.32 | 29.5 | 3.5 | 11 | 12 | 15 | 19 |
| BCHL16 | SS/SS | 12 | 18 | 15.87 | 40.3 | 5.3 | 15 | 16 | 20 | 24 |
| BCHL20 | SS/SS | 15 | 20 | 19.05 | 49.3 | 6.3 | 18 | 20 | 25 | 30 |

Modelo Hindi. (...
| Modelo Hindi. | (kg) Naglo -load Kapasidad | ( mm ) Sukat | ||||||||
| Materyal | Iminumungkahi | Max . | ||||||||
| d | D1 | H | H1 | H2 | M | L | ||||
| BCHN12 | SS/SS | 4 | 5 | 5.56 | 12 | 23 | 1.5 | 6.5 | 6 | 15 |
| BCHN16 | SS/SS | 6 | 7 | 8.73 | 16 | 27 | 2.5 | 9.5 | 6 | 15 |
| BCHN19 | SS/SS | 8 | 10 | 10.32 | 19 | 35 | 3.5 | 11.5 | 8 | 20 |
| BCHN25 | SS/SS | 12 | 18 | 15.87 | 25 | 40 | 5.3 | 14.7 | 8 | 20 |
| BCHN31 | SS/SS | 15 | 20 | 19.05 | 31 | 50 | 6.3 | 18.7 | 10 | 25 |

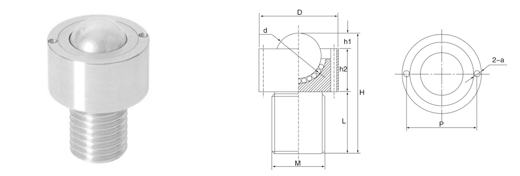
Modelo Hindi. (...
| Modelo Hindi. | (kg) Naglo -load Kapasidad | (mm) Sukat | (kg) Timbang | ||||||||||
| Materyal | Iminumungkahi | Max. | |||||||||||
| d | D | H | H1 | H2 | M | L | P | a | |||||
| BCHM10 | SS/SS | 6 | 7 | 8.73 | 18.5 | 24.5 | 2.5 | 10 | 10 | 12 | 15.4 | 2 | 0.060 |
| BCHM12 | SS/SS | 8 | 10 | 10.32 | 22 | 29.5 | 3.5 | 11 | 12 | 15 | 18.5 | 2 | 0.070 |
| BCHM16 | SS/SS | 12 | 18 | 15.87 | 27 | 40.3 | 5.3 | 15 | 16 | 20 | 24 | 2.5 | 0.090 |
| BCHM20 | SS/SS | 15 | 20 | 19.05 | 33 | 49.3 | 6.3 | 18 | 20 | 25 | 29.6 | 2.5 | 0.140 |

Modelo Hindi. (...
| Modelo Hindi. | (kg) Naglo -load Kapasidad | (mm) Sukat | |||||||
| Materyal | Iminumungkahi | Max. | |||||||
| d | D | H | H1 | M | S | ||||
| BCSB8 | SS/SS | 3 | 4 | 4.76 | 5 | 14 | 1.3 | 8 | 4 |
| BCSB10 | SS/SS | 3 | 4 | 4.76 | 7 | 16 | 1.2 | 10 | 5 |
| BCSB12 | SS/SS | 4 | 5 | 5.56 | 8 | 20 | 1.5 | 12 | 6 |
| BCSB16 | SS/SS | 6 | 7 | 8.73 | 12 | 25 | 2.5 | 16 | 8 |
| BCSB20 | SS/SS | 8 | 10 | 10.32 | 15 | 30 | 3.5 | 20 | 10 |

Modelo Hindi. (...
| Modelo Hindi. | (kg) Ang kapasidad ng paglo -load | (mm) Sukat | ||||||||
| Materyal | Iminumungkahi | Aax. | ||||||||
| d | D | D1 | H | H1 | H2 | R | ||||
| BCHP14 | SS/SS | 4 | 5 | 5.56 | 16 | 14 | 18.5 | 1.5 | 14 | 1.5 |
| BCHP18 | SS/SS | 6 | 7 | 8.73 | 20 | 18 | 23 | 2.5 | 17 | 2 |
| BCHP22 | SS/SS | 8 | 10 | 10.32 | 24 | 22 | 28.5 | 3.5 | 21.5 | 2 |
Modelo Hindi. (...
| Modelo Hindi. | (kg) Naglo -load Kapasidad | (mm) Sukat | |||||||||||||
| Materyal | Iminumungkahi | Max. | |||||||||||||
| d | D | D1 | H | H1 | H2 | M | 牙距 细牙 | L | R | p | a | ||||
| BCHPT16 | SS/SS | 4 | 5 | 5.56 | 19 | 13.5 | 18.2 | 1.5 | 14 | 16 | 1.5 | 9 | 1.2 | 15.4 | 2 |
| BCHPT20 | SS/SS | 6 | 7 | 8.73 | 24 | 16.5 | 23 | 2.5 | 17 | 20 | 1.5 | 10 | 2 | 18.5 | 2 |
| BCHPT24 | SS/SS | 8 | 10 | 10.32 | 28 | 20.5 | 28.5 | 3.5 | 21.5 | 24 | 1.5 | 12 | 2 | 24 | 2.5 |

Aisle Rack ...
|
Aisle Rack Angkop para sa pag -iimbak ng ilang iba't o malaking dami ng mabuti.
| |
|
Bakit Direktang Nakakaapekto ang Pagpapanatili ng Roller Conveyor sa Buhay ng System ...
Magbasa paAno ang Nagiging Tunay na Mabigat na Tungkulin ng Roller Conveyor? Ang isang heavy-duty ...
Magbasa paAno ang mga Roller Conveyor at Bakit Mahalaga ang Uri? Mga roller conveyor ay m...
Magbasa paBakit Ang mga Roller Conveyor ay Nananatiling Backbone ng Material Handling Mga roll...
Magbasa paAng Wuxi Huiqian Logistics Machinery Manufacturing Co, Ltd. Pallet Conveyor Suportahan ang maraming mga channel upang mahawakan ang iba't ibang uri ng mga palyete nang sabay?
Sa mabilis na mundo ng logistik at paghawak ng materyal, ang kahusayan at kakayahang umangkop ay pinakamahalaga. Ang mga negosyo ay nangangailangan ng mga system na hindi lamang nakakatugon sa kanilang mga agarang pangangailangan ngunit nag -aalok din ng scalability, pagiging maaasahan, at ang kakayahang umangkop upang mahawakan ang iba't ibang mga uri ng mga kalakal at mga kahilingan sa pagpapatakbo. Ang isa sa mga solusyon ay ang Wuxi Huiqian Logistics Makinarya Manufacturing Co, Ltd's Innovative Pallet Conveyor Systems, na idinisenyo upang i -streamline ang paggalaw ng materyal sa magkakaibang mga industriya. Ngunit ang tanong ay nananatiling: Maaari bang suportahan ng kanilang mga palyete ang maraming mga channel upang mahawakan ang iba't ibang uri ng mga palyete nang sabay -sabay?
Versatility sa disenyo: Ang core ng mahusay na logistik
Sa gitna ng lineup ng produkto ng Wuxi Huiqian ay ang kanilang advanced Pallet Conveyor Ang system, isang maingat na inhinyero na solusyon na nakatayo bilang isang testamento sa pangako ng kumpanya na timpla ang teknolohiyang Hapon na may mga diskarte sa pagmamanupaktura ng pagputol. Ang mga sistemang ito ay binuo upang mag-alok ng walang kaparis na kakayahang umangkop sa mga high-demand na kapaligiran. Kung ito ay isang mabibigat na aplikasyon o mas pinong, magaan na pag-setup, ang system ay maaaring ipasadya upang mahawakan ang mga palyete ng iba't ibang laki, timbang, at uri.
Ang tunay na lakas ng Wuxi Huiqian's linya ng pagpupulong ng conveyor Ang mga system ay namamalagi sa kanilang kakayahang gumana sa maraming mga channel, tinitiyak na ang iba't ibang uri ng mga palyete ay maaaring pinamamahalaan nang sabay -sabay. Ang pag-andar ng multi-channel na ito ay mahalaga para sa mga bodega, mga pasilidad sa pagmamanupaktura, at mga sentro ng pamamahagi kung saan ang mga operasyon ay madalas na nangangailangan ng sabay-sabay na transportasyon ng magkakaibang uri ng papag. Kung ang pakikitungo sa malaki, napakalaking mga item o mas maliit, mas marupok na mga kalakal, ang mga sistema ng conveyor ay maaaring maiangkop upang matugunan ang mga natatanging mga kinakailangan na may pambihirang kahusayan.
Ang pagpapasadya ay nakakatugon sa katumpakan
Ang Wuxi Huiqian ay tumatagal ng malaking pagmamataas sa nag -aalok ng lubos na napapasadyang mga solusyon sa conveyor. Ang kanilang pokus sa modular na disenyo ay nagsisiguro na ang kanilang mga system ay maaaring mai -configure upang umangkop sa mga tiyak na pangangailangan sa pagpapatakbo, kabilang ang sabay -sabay na paghawak ng iba't ibang mga uri ng papag sa iba't ibang mga daanan. Ito ay partikular na kapaki -pakinabang sa mga industriya tulad ng automotive manufacturing, electronics, at pamamahagi ng pagkain, kung saan ang mga pagkakaiba -iba sa mga sukat ng palyete at mga uri ng produkto ay maaaring lumikha ng mga kumplikadong hamon sa logistik.
Bukod dito, ang pangako ng Wuxi Huiqian sa kalidad ay binibigyang diin ng kanilang paggamit ng mga kagamitan sa pagproseso ng state-of-the-art at mahigpit na mga sistema ng pamamahala ng kalidad. Ang bawat sangkap, mula sa mga roller hanggang sa mga frame, ay nilikha sa pinakamataas na pamantayan, na tinitiyak hindi lamang pag-andar ngunit pangmatagalang tibay. Kapag isinama sa iyong mga operasyon, ang mga sistema ng conveyor ay nagbibigay ng isang walang tahi na daloy ng mga materyales, pagtanggal ng mga bottlenecks at pagpapabuti ng kahusayan ng throughput.
Advanced na Teknolohiya para sa Mga Solusyon sa Hinaharap sa Hinaharap
Bilang isang pinuno sa sektor ng pagmamanupaktura ng makina ng logistik, ang Wuxi Huiqian ay patuloy na nagbabago, tinitiyak na ang kanilang mga sistema ng conveyor ay hindi lamang maaasahan ngayon ngunit handa nang umangkop sa mga hinihingi ng mga kadena ng supply ng bukas. Ang paggamit ng mga advanced na teknolohiya tulad ng automation at real-time na pagsubaybay ay higit na nagpapabuti sa pagganap ng kanilang mga conveyor ng palyet, na nagpapagana sa mga negosyo na subaybayan at kontrolin ang kanilang daloy ng materyal na may katumpakan ng pinpoint.
Para sa mga kumpanyang naghahanap ng hinaharap-patunay ang kanilang mga operasyon, ang mga solusyon sa Wuxi Huiqian ay nag-aalok ng isang napakahalagang kalamangan. Ang kanilang mga system ay madaling maisama sa iba pang mga teknolohiya ng automation, na nag -aalok ng scalability at kakayahang umangkop na nagsisiguro ng patuloy na kahusayan kahit na ang mga hinihingi ng logistik ay umuusbong.
After-sales suporta at diskarte sa customer-sentrik
Ang isang pangunahing pagkakaiba -iba para sa Wuxi Huiqian ay ang kanilang pag -aalay sa kasiyahan ng customer. Higit pa sa paghahatid ng mga de-kalidad na produkto, naglalagay sila ng isang makabuluhang diin sa serbisyo pagkatapos ng benta, na nagbibigay ng teknikal na suporta at propesyonal na gabay sa buong lifecycle ng kanilang mga system. Tinitiyak ng pangako na ito na ang bawat customer ay tumatanggap ng buong halaga mula sa kanilang pamumuhunan, na may mga naaangkop na solusyon at patuloy na suporta upang mahawakan kahit na ang pinaka -kumplikadong mga kinakailangan sa logistik.
Isang holistic solution para sa modernong logistik
Sa konklusyon, ang Wuxi Huiqian Logistics Machinery Manufacturing Co, Ltd ay nakatayo bilang isang mapagkakatiwalaang kasosyo sa kaharian ng materyal na paghawak, lalo na para sa mga industriya na nangangailangan ng advanced, napapasadyang, at mahusay na mga sistema ng conveyor ng palyete. Ang kanilang mga multi-channel conveyor system, na idinisenyo upang hawakan ang isang hanay ng mga uri ng papag nang sabay-sabay, ay kumakatawan sa isang sopistikadong solusyon na nakakatugon sa mga hinihingi ng mga modernong operasyon ng logistik.
Kung naghahanap ka ng isang kasosyo na may kakayahang itaas ang iyong kahusayan sa logistik at paghahatid ng mga bespoke, nasusukat na mga solusyon, ang mga sistema ng mga palyete ng wuxi huiqian ay higit pa sa isang produkto-sila ay isang pamumuhunan sa pangmatagalang tagumpay sa pagpapatakbo ng iyong negosyo.
Nagdadala ng pagkakayari sa hinaharap.
No.60, Zhenhu North Road, Hudai Town, Binhu District , Wuxi 214100, China