Malakas na Tungkulin D-HB Series
Cat:Universal Ball
Modelo Hindi. ...
Advanced na istraktura, de-kalidad na pagganap, madaling gamitin, mataas na pagiging maaasahan at tibay.
Ang unibersal na bola ay tinatawag ding isang unibersal na conveying ball, unibersal na bola, bakal na bola ng bola, toro ng mata, at iba pa. Mayroon itong pagganap ng kakayahang umangkop at maaaring ilipat ang plate plate, materyal na kahon, at iba pang mga bagay na napaka -kakayahang umangkop, ang hitsura nito ay lubos na binabawasan ang lakas ng paggawa ng mga kawani, na angkop para sa static at dynamic na mga sistema ng paghahatid, tulad ng lahat ng uri ng unibersal na bola para sa mga electronics, hardware, makinarya, kemikal, pagkain, kagubatan, pagmimina, libro, supermarket, goma at iba pang industriya. Malawakang ginagamit ito sa mga sistema ng paghahatid, mga sistema ng pagpapakain, mga sistema ng pagproseso, makinarya sa pagproseso, at kagamitan sa pandiwang pantulong sa packaging.

Modelo Hindi. ...
| Modelo Hindi. | (kg) Naglo -load Kapasidad | (mm) Sukat | (kg) Timbang | |||||||||
| Materyal | Iminumungkahi | Max. | ||||||||||
| d | D | H1 | H2 | H | F | P | K | |||||
| D-8HB | BS/CS | 100 | 150 | 25.4 | 56 | 8 | 3 | 32 | 78 | 67 | 4-φ6.5 | 0.450 |
| D-10H | BS/CS | 200 | 250 | 30.1 | 65 | 6.5 | 6 | 48 | 95 | 80 | 4-φ7 | 0.890 |
| D-12H | BS/CS | 300 | 350 | 38.1 | 70 | 11 | 6 | 60 | 110 | 94 | 4-φ7 | 1.200 |
| D-16H | BS/CS | 300 | 400 | 50 | 95 | 16 | 10 | 80 | 140 | 120 | 4-φ11 | 4.500 |
| D-24H | BS/CS | 600 | 800 | 76.2 | 130 | 20 | 10 | 120 | 180 | 155 | 4- 中 11 | 5.400 |

Modeloooooooooooo Hindi. ...
| Modeloooooooooooo Hindi. | Materia l | (kg ) L oading Capacit y | (kg) Net Timbang | |
| Iminumungkahi | Max . | |||
| D-5HC | BS/CS | 16 | 20 | 0.055 |
| Model Hindi. | Materia l | (kg ) L oading Kapasidad | (kg) Net Timbang | |
| Iminumungkahi | Max . | |||
| D-5HT | BS/CS | 16 | 20 | 0.120 |
| Model Hindi. | Materia l | (kg) Naglo -load Kapasidad | (kg) Net Timbang t | |
| Iminumungkahi | Max . | |||
| D-5HR | BS/CS | 16 | 20 | 0.065 |
| Model Hindi . | Materia l | (kg) Naglo -load Kapasidad | (kg) Net Timbang | |
| Sugges t | Max . | |||
| D-5HB | BS/CS | 80 | 100 | 0.370 |
| Model Hindi . | Materia l | (kg) L oading Kapasidad | (kg) Net Timbang | |
| Iminumungkahi | Max . | |||
| D-6HT | BS/CS | 40 | 50 | 0.150 |
| Model Hindi . | Materia l | (kg) Naglo -load Kapasidad | (kg) Net Timbang t | |
| Sugges t | Max . | |||
| D-6HR | BS/CS | 60 | 70 | 0.210 |
| Model Hindi. | Materia l | (kg ) Naglo -load Capacit y | (kg) | |
| 建议 Iminumungkahi | Max . | |||
| D-6HC | BS/CS | 60 | 70 | 0.210 |
| Model Hindi. | Materyal | (kg) L oading Kapasidad | (kg ) | |
| Iminumungkahi | Max. | |||
| D-6HN | BS/CS | 50 | 70 | 0.210 |
| Model Hindi . | Materyal | (kg) Paglo -load ng Kapasidad | (kg) | |
| Iminumungkahi | Max . | |||
| D-8HN | BS/CS | 100 | 150 | 0.230 |
| Model Hindi. | Materyal | (kg) Paglo -load ng Kapasidad | (kg ) Net Timbang t | |
| Iminumungkahi | Max . | |||
| D-12HA | BS/CS | 250 | 300 | 0.890 |
| Model Hindi. | Materyal | (kg) L oading Kapasidad | (kg) Net Timbang t | |
| Iminumungkahi | Max . | |||
| D-12HAR | BS/CS | 250 | 300 | 0.890 |
| Model Hindi. | Materyal | (kg) L oading Kapasidad | (kg) Net Timbang | |
| Iminumungkahi | Max . | |||
| D-16HA | BS/CS | 350 | 450 | 2.200 |

Itakda ang tamang direksyon at magagawang mag -orient ng mahabang stroke. Ito ay angkop para s...
Itakda ang tamang direksyon at magagawang mag -orient ng mahabang stroke.
Ito ay angkop para sa paggamit nang walang 360 degree ng libreng pag-ikot, o kapag ang direksyon ng kontrol ay hindi sigurado, bilang karagdagan sa koepisyent ng friction ay maliit ngunit maaaring makamit ang mga katangian ng paggalaw na pang-haba.
Ito ay pangunahing ginagamit para sa lubricating ibabaw at aparato ng pagpapakain ng rotary table at ang paglipat ng mga mabibigat na bagay. Maaari itong magamit para sa stroke ng kilusan ng piston at ang hapag -hapag.
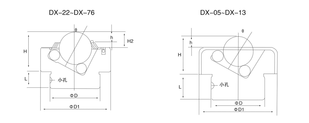
| Mode l | Namamana r | Pangunahing Ball | θ | H | H2 | h | L | D | D1 | off-center | (kg) Timbang | (kg) Naglo -load Kapasidad |
| DX-05 | 7101 | 3/16 " | 25 | 5.38 | 1.5 | 1.0 | 5.0 | 8 | 12.2 | 2.5 | 0.005 | 30 |
| DX-06 | 7102 | 1/4 " | 25 | 7.17 | 2.5 | 1.8 | 6.0 | 12 | 16.2 | 2.6 | 0.010 | 40 |
| DX-07 | 7103 | 5/16 " | 25 | 8.97 | 2.0 | 2.0 | 8.0 | 13 | 19.2 | 2.6 | 0.020 | 50 |
| DX-08 | 7104 | 3/8 " | 25 | 12 | 3.0 | 3.0 | 9.0 | 17 | 26.2 | 3.4 | 0.050 | 70 |
| DX-09 | 7105 | 1/2 " | 25 | 15 | 4.0 | 4.0 | 11.0 | 20 | 38.0 | 5.0 | 0.110 | 90 |

Modeloooooooooooooooooo Hindi ...
| Modeloooooooooooooooooo Hindi . | Materyal | (kg) L oading Capacit y | (kg) Net Timbang t | |
| Iminumungkahi | Max. | |||
| NL-8 H | Pl/abs | 2 | 3 | 0.003 |
| Model Hindi. | Materyal | (kg) L oading Kapasidad | (kg) Net Timbang | |
| Iminumungkahi | Max. | |||
| NP-12 | Pl/pl | 5 | 10 | 0.020 |
| Model Hindi. | Materyal | (kg) L oading Kapasidad | (kg) Net Timbang t | |
| Iminumungkahi | Max. | |||
| NP-15 | Pl/pl | 8 | 15 | 0.030 |
| Model Hindi. | Materyal | (kg) Naglo -load Kapasidad | (kg) Net Timbang | |
| Iminumungkahi | Max. | |||
| NP-22 | Pl/nl | 12 | 20 | 0.060 |
| Model Hindi. | Materyal | (kg) L oading Kapasidad | (kg) Net Timbang | |
| Iminumungkahi | Max. | |||
| NP-25 | Pl/pl | 20 | 30 | 0.100 |
| Model Hindi. | Materia l | (kg) Naglo -load Kapasidad | (kg) Net Timbang | |
| Iminumungkahi | Max . | |||
| NP-30 | Pl/abs | 30 | 40 | 0.180 |
| Model Hindi . | Materyal | (kg) L oading Capaci Ty | (kg ) Net Timbang | |
| Iminumungkahi | Max . | |||
| NL-19C | Pl/p L | 10 | 15 | 0.050 |
| Ss/pl | 12 | 17 | 0.060 | |
| Model Hindi. | Materyal | (kg ) L oading Capacit y | (kg ) Net Timbang | |
| Iminumungkahi | Max . | |||
| NL-25C | Pl/p L | 20 | 25 | 0.110 |
| Ss/pl | 25 | 30 | 0.125 | |
| Model Hindi. | Materyal | (kg) Naglo -load Kapasidad | (kg ) Net Timbang | |
| Iminumungkahi | Max. | |||
| NL-38C | Pl/abs | 25 | 35 | 0.400 |
| Ss/abs | 30 | 40 | 0.650 | |
| Model Hindi. | Materyal | (kg) Naglo -load Kapasidad | (kg ) Net Timbang | |
| Iminumungkahi | Max. | |||
| NL-19A | Pl/abs | 10 | 15 | 0.050 |
| Ss/abs | 12 | 17 | 0.060 | |
| Model Hindi. | Materyal | (kg) L oading Capacit y | (kg ) Net Timbang | |
| Iminumungkahi | Max . | |||
| NL-25A | Pl/abs | 20 | 25 | 0.110 |
| Ss/abs | 25 | 30 | 0.125 | |
| Model Hindi. | Materyal | (kg) L oading Capacit y | (kg ) Net Timbang | |
| Iminumungkahi | Max . | |||
| NL-38A | Pl/abs | 25 | 35 | 0.400 |
| Ss/abs | 30 | 40 | 0.650 | |
| Model Hindi. | Materia l | (kg) L oading Kapasidad | (kg) Net Timbang | |
| Iminumungkahi | Max . | |||
| NL-19B | Pl/abs | 10 | 15 | 0.050 |
| Ss/abs | 12 | 17 | 0.060 | |
| Model Hindi. | Materia l | (kg) L oading Kapasidad | (kg) Net Timbang | |
| Iminumungkahi | Max . | |||
| NL-25B | Pl/abs | 20 | 25 | 0.110 |
| Ss/abs | 25 | 30 | 0.125 | |
| Model | Materia l | (kg ) Naglo -load Kapasidad | (kg) Net Timbang | ||
| Iminumungkahi | Max . | ||||
| NL-38B | Pl/abs | 25 | 35 | 0.410 | |
| Model Hindi. | Materia l | (kg ) L oading Kapasidad | (kg) Net Timbang | |
| Iminumungkahi | Max . | |||
| NL-25AA | Pl/abs | 15 | 20 | 0.050 |
| Model Hindi. | Materia l | (kg) Naglo -load Kapasidad | (kg) Net Timbang t | |
| Iminumungkahi | Max . | |||
| NL-22AA | Pl/abs | 8 | 15 | 0.050 |
| Model Hindi. | Materia l | (kg) Naglo -load Kapasidad | (kg) Net Timbang t | |
| Iminumungkahi | Max . | |||
| NL-16AA | PL/ABS | 8 | 10 | 0.035 |

Model Hindi. ID Solong paglo -load Pinapayaga...
| Model Hindi. | ID | Solong paglo -load | Pinapayagan na paglo -load | Timbang |
| FB-001 | 8801 | 5kg | 8kg | 60g |
| Model Hindi. | ID | Solong paglo -load | Pinapayagan na paglo -load | Timbang |
| FB-002 | 8803 | 100kg | 150kg | 720g |
| Model Hindi. | ID | Solong paglo -load | Pinapayagan na paglo -load | Timbang |
| FB-003 | 8805 | 80kg | 100kg | 1.2kg |
| Model Hindi. | ID | Solong paglo -load | Pinapayagan na paglo -load | Timbang |
| FB-004 | 8807 | 35kg | 40kg | 150g |
| Model Hindi. | ID | Solong paglo -load | Pinapayagan na paglo -load | Timbang |
| FB-005 | 8809 | 250kg | 300kg | 1.7kg |
| Model Hindi. | ID | Solong paglo -load | Pinapayagan na paglo -load | Timbang |
| FB-006 | 8802 | 300kg | 350kg | 3.2kg |
| Model Hindi. | ID | Solong paglo -load | Pinapayagan na paglo -load | Timbang |
| FB-007 | 8804 | 400kg | 500kg | 2.62kg |
| Model Hindi. | ID | Solong paglo -load | Pinapayagan na paglo -load | Timbang |
| FB-008 | 8806 | 350kg | 450kg | 2.2kg |
| Model Hindi. | ID | Solong paglo -load | Pinapayagan na paglo -load | Timbang |
| FB-009 | 8808 | 1500kg | 2000kg | 6.5kg |
| Model Hindi. | ID | Solong paglo -load | Pinapayagan na paglo -load | Timbang |
| FB-010 | 8810 | 300kg | 350kg | 6.5kg |
| Model Hindi. | ID | Solong paglo -load | Pinapayagan na paglo -load | Timbang |
| FB-011 | 8811 | 100g | 150kg | 210g |
| Model Hindi. | ID | Solong paglo -load | Pinapayagan na paglo -load | Timbang |
| FB-012 | 8813 | 200kg | 250k g | 480g |
| Model Hindi. | ID | Solong paglo -load | Pinapayagan na paglo -load | Timbang |
| FB-013 | 8815 | 80kg | 100kg | 370g |
| Model Hindi. | ID | Solong paglo -load | Pinapayagan na paglo -load | Timbang |
| FB-014 | 8817 | 10kg | 15kg | 70g |
| Model Hindi. | ID | Solong paglo -load | Pinapayagan na paglo -load | Timbang |
| FB-015 | 8819 | 30kg | 40kg | 40g |
| Model Hindi. | ID | Solong paglo -load | Pinapayagan na paglo -load | Timbang |
| FB-016 | 8812 | 10kg | 12kg | 140g |
| Model Hindi. | ID | Solong paglo -load | Pinapayagan na paglo -load | Timbang |
| FB-017 | 8814 | 15kg | 20kg | 90g |
| Model Hindi. | ID | Solong paglo -load | Pinapayagan na paglo -load | Timbang | |
| FB-018 | 8816 | 15kg | 20kg | 110G | |
| Model Hindi. | ID | Solong paglo -load | Pinapayagan na paglo -load | Timbang |
| FB-019 | 8818 | 150kg | 200kg | 290g |
| Model Hindi. | ID | Solong paglo -load | Pinapayagan na paglo -load | Timbang |
| FB-020 | 8820 | 200kg | 250kg | 250g |
| Model Hindi. | ID | Solong paglo -load | Pinapayagan na paglo -load | Timbang |
| FB- 021 | 8821 | 250kg | 300kg | 320g |
| Model Hindi. | ID | Solong paglo -load | Pinapayagan na paglo -load | Timbang |
| FB-022 | 8823 | 250kg | 300kg | 450g |
| Model Hindi. | ID | Solong paglo -load | Pinapayagan na paglo -load | Timbang | ||
| FB-023 | 8825 | 200kg | 250kg | 600g | ||
| Model Hindi. | ID | Solong paglo -load | Pinapayagan na paglo -load | Timbang |
| FB-024 | 8827 | 200kg | 250kg | 1.4kg |
| Model Hindi. | ID | Solong paglo -load | Pinapayagan na paglo -load | Timbang |
| FB- 025 | 8829 | 250kg | 300kg | 430g |
| Model Hindi. | ID | Solong paglo -load | Pinapayagan na paglo -load | Timbang |
| FB- 026 | 8822 | 600kg | 800kg | 2.5kg |
| Model Hindi. | ID | Solong paglo -load | Pinapayagan na paglo -load | Timbang |
| FB-027 | 8824 | 400kg | 500kg | 1.5kg |
| Model Hindi. | ID | Solong paglo -load | Pinapayagan na paglo -load | Timbang |
| FB-028 | 8826 | 400kg | 450kg | 890g |
| Model Hindi. | ID | Solong paglo -load | Pinapayagan na paglo -load | Timbang |
| Custom-029 | 8828 | 20kg | 30kg | 330kg |
| Model Hindi. | ID | Solong paglo -load | Pinapayagan na paglo -load | Timbang |
| Pasadyang-030 | 8830 | 1 0kg | 15kg | 110g |

Modelo Hindi. (...
| Modelo Hindi. | (kg) Naglo -load Capacit y | ( mm ) Sukat | (kg) Timbang | |||||||
| Materyal | Iminumungkahi | Max . | ||||||||
| d | D | D1 | H | H1 | H2 | |||||
| BCHA7.5 | SS/SS | 2 | 3 | 4 | 9 | 7.5 | 6.1 | 1.1 | 4 | 0.005 |
| BCHA9 | SS/SS | 3 | 4 | 4.76 | 11 | 9 | 7.2 | 1.2 | 5 | 0.008 |
| BCHA11 | SS/SS | 4 | 5 | 5.56 | 13 | 11 | 8.5 | 1.5 | 6 | 0.010 |
| BCHA15 | SS/SS | 6 | 7 | 8.73 | 17 | 15 | 12.5 | 2.5 | 9 | 0.015 |
| BCHA18 | SS/SS | 8 | 10 | 10.32 | 20 | 18 | 14.5 | 3.5 | 10 | 0.030 |
| BCHA24 | SS/SS | 12 | 18 | 15.87 | 26 | 24 | 20.8 | 5.3 | 14 | 0.060 |
| BCHA30 | SS/SS | 15 | 20 | 19.05 | 32 | 30 | 25.3 | 6.3 | 17 | 0.185 |

Modelo Hindi. (...
| Modelo Hindi. | (kg) Naglo -load Capacit y | (mm) Sukat | ||||||||||
| Materyal | Iminumungkahi | Max . | ||||||||||
| d | D | D1 | H | H1 | H2 | t | P | a | ||||
| BCHF27 | SS/SS | 6 | 7 | 8.73 | 27 | 15 | 12 | 2.5 | 9.5 | 2 | 21 | 3.5 |
| BCHF30 | SS/SS | 8 | 10 | 10.32 | 30 | 18 | 15 | 3.5 | 11.5 | 2 | 24 | 3.5 |
| BCHF39 | SS/SS | 12 | 18 | 15.87 | 39 | 24 | 20 | 5.3 | 14.7 | 3 | 31.5 | 4.5 |
| BCHF48 | SS/SS | 15 | 20 | 19.05 | 48 | 30 | 25 | 6.3 | 18.7 | 4 | 39 | 5.5 |

Modelo Hindi. (...
| Modelo Hindi. | (kg) Naglo -load Kapasidad | (mm) Sukat s | ||||||||
| Materyal | Sugges t | Max . | ||||||||
| d | H | H1 | H2 | M | L | S | ||||
| BCHL5 | SS/SS | 2 | 3 | 4 | 12.1 | 1.1 | 5 | 5 | 6 | 8 |
| BCHL6 | SS/SS | 3 | 4 | 4.76 | 15.2 | 1.2 | 6 | 6 | 8 | 10 |
| BCHL8 | SS/SS | 4 | 5 | 5.56 | 18.5 | 1.5 | 7 | 8 | 10 | 13 |
| BCHL10 | SS/SS | 6 | 7 | 8.73 | 24.5 | 2.5 | 10 | 10 | 12 | 17 |
| BCHL12 | SS/SS | 8 | 10 | 10.32 | 29.5 | 3.5 | 11 | 12 | 15 | 19 |
| BCHL16 | SS/SS | 12 | 18 | 15.87 | 40.3 | 5.3 | 15 | 16 | 20 | 24 |
| BCHL20 | SS/SS | 15 | 20 | 19.05 | 49.3 | 6.3 | 18 | 20 | 25 | 30 |

Modelo Hindi. (...
| Modelo Hindi. | (kg) Naglo -load Kapasidad | ( mm ) Sukat | ||||||||
| Materyal | Iminumungkahi | Max . | ||||||||
| d | D1 | H | H1 | H2 | M | L | ||||
| BCHN12 | SS/SS | 4 | 5 | 5.56 | 12 | 23 | 1.5 | 6.5 | 6 | 15 |
| BCHN16 | SS/SS | 6 | 7 | 8.73 | 16 | 27 | 2.5 | 9.5 | 6 | 15 |
| BCHN19 | SS/SS | 8 | 10 | 10.32 | 19 | 35 | 3.5 | 11.5 | 8 | 20 |
| BCHN25 | SS/SS | 12 | 18 | 15.87 | 25 | 40 | 5.3 | 14.7 | 8 | 20 |
| BCHN31 | SS/SS | 15 | 20 | 19.05 | 31 | 50 | 6.3 | 18.7 | 10 | 25 |

Modelo Hindi. (...
| Modelo Hindi. | (kg) Naglo -load Kapasidad | (mm) Sukat | (kg) Timbang | ||||||||||
| Materyal | Iminumungkahi | Max. | |||||||||||
| d | D | H | H1 | H2 | M | L | P | a | |||||
| BCHM10 | SS/SS | 6 | 7 | 8.73 | 18.5 | 24.5 | 2.5 | 10 | 10 | 12 | 15.4 | 2 | 0.060 |
| BCHM12 | SS/SS | 8 | 10 | 10.32 | 22 | 29.5 | 3.5 | 11 | 12 | 15 | 18.5 | 2 | 0.070 |
| BCHM16 | SS/SS | 12 | 18 | 15.87 | 27 | 40.3 | 5.3 | 15 | 16 | 20 | 24 | 2.5 | 0.090 |
| BCHM20 | SS/SS | 15 | 20 | 19.05 | 33 | 49.3 | 6.3 | 18 | 20 | 25 | 29.6 | 2.5 | 0.140 |

Modelo Hindi. (...
| Modelo Hindi. | (kg) Naglo -load Kapasidad | (mm) Sukat | |||||||
| Materyal | Iminumungkahi | Max. | |||||||
| d | D | H | H1 | M | S | ||||
| BCSB8 | SS/SS | 3 | 4 | 4.76 | 5 | 14 | 1.3 | 8 | 4 |
| BCSB10 | SS/SS | 3 | 4 | 4.76 | 7 | 16 | 1.2 | 10 | 5 |
| BCSB12 | SS/SS | 4 | 5 | 5.56 | 8 | 20 | 1.5 | 12 | 6 |
| BCSB16 | SS/SS | 6 | 7 | 8.73 | 12 | 25 | 2.5 | 16 | 8 |
| BCSB20 | SS/SS | 8 | 10 | 10.32 | 15 | 30 | 3.5 | 20 | 10 |

Modelo Hindi. (...
| Modelo Hindi. | (kg) Ang kapasidad ng paglo -load | (mm) Sukat | ||||||||
| Materyal | Iminumungkahi | Aax. | ||||||||
| d | D | D1 | H | H1 | H2 | R | ||||
| BCHP14 | SS/SS | 4 | 5 | 5.56 | 16 | 14 | 18.5 | 1.5 | 14 | 1.5 |
| BCHP18 | SS/SS | 6 | 7 | 8.73 | 20 | 18 | 23 | 2.5 | 17 | 2 |
| BCHP22 | SS/SS | 8 | 10 | 10.32 | 24 | 22 | 28.5 | 3.5 | 21.5 | 2 |
Bakit Direktang Nakakaapekto ang Pagpapanatili ng Roller Conveyor sa Buhay ng System ...
Magbasa paAno ang Nagiging Tunay na Mabigat na Tungkulin ng Roller Conveyor? Ang isang heavy-duty ...
Magbasa paAno ang mga Roller Conveyor at Bakit Mahalaga ang Uri? Mga roller conveyor ay m...
Magbasa paBakit Ang mga Roller Conveyor ay Nananatiling Backbone ng Material Handling Mga roll...
Magbasa paNagdadala ng pagkakayari sa hinaharap.
No.60, Zhenhu North Road, Hudai Town, Binhu District , Wuxi 214100, China